+7 (499) 702-01-13
+7 (499) 702-03-59
Пн-Пт с 9:00 до 18:00
Поиск бренда
Поиск модели
Каталог схем
BOSCH
Инструменты
Электроинструмент
Дрели
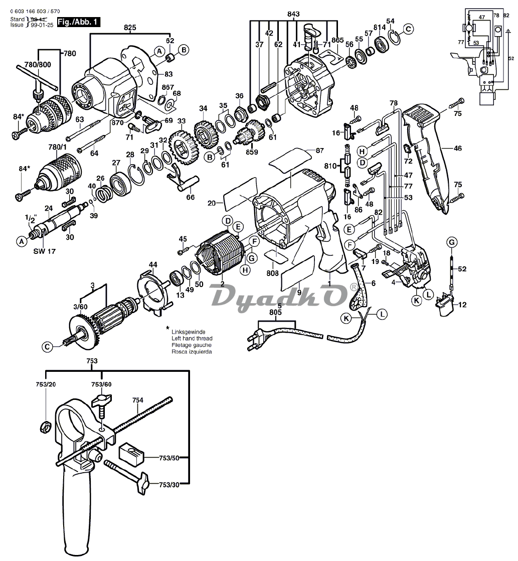
CSB 800-2 RE (0603166503)
Схема BOSCH CSB 800-2 RE (0603166503)
1
Motor Housing GREEN
2
Field 220-240V
3
Armature 230-240V
3/60
Fan
4
Switch
6
Grommet 06,9 MM
7
Cable Clip
9
Manufacturer's nameplate SUNNY SIDE
12
Suppression Filter
13
Ball Bearing 7x22x7
16
Brush Holder
18
Socket head cap screw M3x6,5-4.8
19
Screw 4x16
20
Reference Plate SHADOW SIDE
24
Drilling Spindle 1/2"
26
Compression Spring
27
groove ball bearing 17x35x10
28
Spring retaining ring DIN 472 35x1,5 MM
29
Spring retaining ring DIN 471 17x1 MM
30
Flat Key
31
Retaining Washer
32
Shim 1,0 MM
33
Cylindrical Gear Z=48
34
Cylindrical Gear Z=36
35
Shim 0,5 MM
35
Shim 0,3 MM
36
Catch Disk
37
Catch Disk
39
Shim washer 0,2 MM
39
Shim washer 0,5 MM
39
Shim washer 1,35 MM
40
Ball DIN 5401-5,5MM-III-ST
41
Rotary Knob
42
Slotted Spring Pin 4x30 MM DIN 7346
44
Cover Disc
45
Tapping Screw
46
Housing Cover GREEN
47
Connecting Cable L = 123 MM WHITE
48
Torx Oval-Head Screw 3x10
49
Shim
50
Shim washer 0,5 MM
50
Shim washer 0,3 MM
50
Shim washer 0,2 MM
52
Earth Conductor
53
Suppression Filter L=148 MM BLACK
54
Spring retaining ring DIN 472-24x1,2 MM
55
Cupped Washer
56
Felt Washer
57
Receptacle
61
Shim 0,3 MM
62
Needle-Roller Bearing 06 MM
63
Headless Screw
64
Headless Screw 65 MM
66
Adjusting Slide
68
Shim washer
69
Rotary Knob BLACK
71
Ratchet Cap
72
Insert
75
Torx Oval-Head Screw 4x25
77
Connecting Cable L=78 MM WHITE
78
Suppression Filter L= 156 MM WHITE
82
Connecting Cable L=176 MM WHITE
83
Gasket
84
Countersunk-Head Screw M 6x34 MM LEFTHAND THREADS
86
Plate GREEN
87
Sticker
753
Auxiliary Handle
753/60
Wing Screw M6x20 MM
753/50
Clamping Plate M6
753/30
Wing Screw M6x(15)55
753/20
Hex Nut DIN 934-M6-8-A
754
Depth-Gauge
780
Key Chuck 01,5-13 MM
780/1
Keyless Chuck 0 1,5-13 MM, 1/2"
780/800
Chuck Wrench SG2
805
Power supply cord EU 2,65m 2 x 1,0mm H05 RN-F
808
Nameplate
810
Carbon-Brush Set
814
groove ball bearing 9x24x7
825
Gear Housing GREEN
843
Intermediate Flange
859
Toothed Shaft Z= 10/21/22
865
Sticker DRILL/IMPACT DRILL
867
Locking Washer DIN 6799-4-FSt
870
Parts Set