+7 (499) 702-01-13
+7 (499) 702-03-59
Пн-Пт с 9:00 до 18:00
Поиск бренда
Поиск модели
Каталог схем
MAKITA
Инструменты
Садовая техника
Пилы цепные электрические
UC 4051 A
Схема MAKITA UC 4051 A
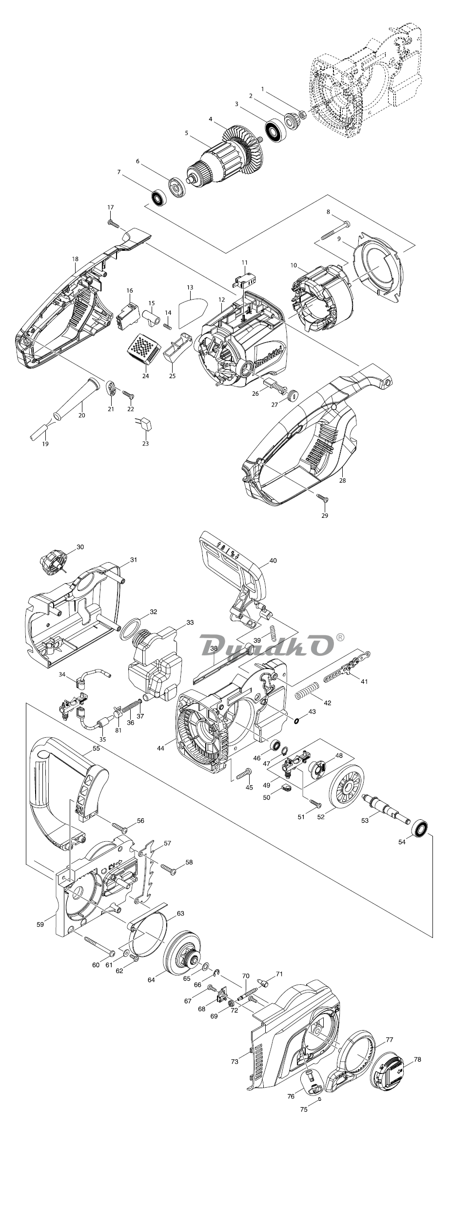
001
HEX. NUT M8
002
SPIRAL BEVEL GEAR 12
003
BALL BEARING 6301LLB
004
FAN 80
005
ARMATURE ASS\'Y 240V INC. 3,4,6,7
006
INSULATION WASHER
007
BALL BEARING 629ZZ
008
TAPPING SCREW 5X55
009
BAFFLE PLATE
010
FIELD 240V
011
SWITCH SD-006-BB2AA-AA
012
MOTOR HOUSING COMPLETE
013
UC4051A NAME PLATE
014
COMPRESSION SPRING 4
015
LOCK-OFF BUTTON
016
SWITCH TGC30B
017
TAPPING SCREW 4X18
018
HANDLE SET
019
POWER SUPPLY CORD 1.0-2-5.0
020
CORD GUARD 9.3-90
021
STRAIN RELIEF
022
TAPPING SCREW 4X18
023
NOISE SUPPRESSOR
024
CONTROLLER
025
SWITCH LEVER
026
CARBON BRUSH CB-153
027
BRUSH HOLDER CAP 6.5-13.5
028
HANDLE SET
029
TAPPING SCREW 4X18
030
TANK CAP COMPLETE
031
GEAR HOUSING COVER
032
SPONGE SEAL
033
OIL TANK
034
CONNECTOR B
035
CONNECTOR A
036
SPRING
037
CAP
038
ROD
039
COMPRESSION SPRING 6
040
FRONT HAND GUARD COMPLETE
041
LINK PLATE COMPLETE
042
COMPRESSION SPRING 9
043
O RING 6
044
GEAR HOUSING
045
TAPPING SCREW 5X25
046
BALL BEARING 606ZZ
047
RETAINING RING S-10
048
WORM GEAR
049-1
OIL PUMP COMPLETE
049
OIL PUMP SET INC. 48
050
GROMMET
051
TAPPING SCREW 4X18
052
SPIRAL BEVEL GEAR 37
053
SPINDLE
054
BALL BEARING 6001ZZ
055
FRONT HANDLE
056
TAPPING SCREW 5X25
057
SPIKE BUMPER
058
TAPPING SCREW 5X25
059
BEARING HOUSING
060
TAPPING SCREW 5X60
061
FLAT WASHER 4
062
TAPPING SCREW BIND CT 4X12
063
BRAKE BAND
064
BRAKE DRUM ASSEMBLY
065
FLAT WASHER 8
066
RETAINING RING E TYPE 6
067
TAPPING SCREW 4X12
068
COVER
069
STRAIGHT BEVEL GEAR 14
070
ADJUST SCREW
071
ADJUST PIN
072
TAPPING SCREW 4X12
073
SPROCKET COVER COMPLETE
073-1
SPROCKET COVER SET
075
RUBBER PIN 4
076
DRIVE GEAR COMPLETE
077
NUT COVER
078
NUT COMPLETE
081
HOSE CLAMP
E01
SOUND 103DB LABEL
C10
CAUTION LABEL INC. 28
C10
INDICATION LABEL
C10
CAUTION LABEL INC. 18
C10
SPROCKET COVER COMPLETE INC. 67-73,75-78
A01
HOOK COMPLETE
A02
GUIDE BAR 16\"
A03
CHAIN COVER
A04
SAW CHAIN SET
C10
BRUSH HOLDER 6.5-13.5