+7 (499) 702-01-13
+7 (499) 702-03-59
Пн-Пт с 9:00 до 18:00
Поиск бренда
Поиск модели
Каталог схем
ИНТЕРСКОЛ
Инструменты
Шлифовальное оборудование
Углошлифовальные машины сетевые
УШМ-230/2300М
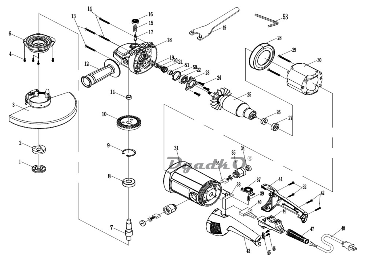
Схема ИНТЕРСКОЛ УШМ-230/2300М УШМ-230/2300М (60.1.4.хх.ххх) 2019
1
Гайка крепления шлифкруга
2
Фланец опорный шлифкруга
3
Кожух защитный Ø230 с экцентриком
4
Винт М5х14 М5х14
5
Шайба гроверная Ø6 Ø6
6
Крышка редуктора
7
Шпиндель Ø16
7*
Шпиндель Ø14
8
Подшипник шариковый 6203-2RS 6203-2RS (17х40х12)
9
Кольцо пружинное Ø40
10
Колесо зубчатое коническое (сталь) Z-43; m-1,79 (с 2009г.)
11
Подшипник роликовый HK1210 HK1210 (12х16х10)
12
Ручка боковая M14
13
Винт ST5*40, φ8.5
14
Винт 5х30
15
Пружина Ø15хØ1х12.5
16
Кнопка фиксатора шпинделя
17
Фиксатор шпинделя
18
Корпус редуктора
19
Гайка М8 М8
20
Шайба гроверная Ø 8 Ø 8
21
Шестерня коническая (сталь) Z-12; m-1,79 (с 2009г.)
22
Подшипник шариковый 6201.2RS 62012RS/6201.Z(12x32x10)
23
Крышка подшипника
24
Винт M5х10
25
Якорь с вентилятором φ54*55, 220V-240V, (2014г.)
26
Подшипник шариковый 608.RS 608.RS+608.2RS+ 608.Z(8х22х7)
27
Втулка резиновая
28
Диафрагма
29
Винт ST5*75 (φ≤8.5)
30
Статор в сборе φ95*55, 2100W/(2014г.)2300W/(2019г)
31
Корпус двигателя для 7002-850001 (H-60mm)
32
Табличка маркировочная правая
33
Табличка штрихкода
34
Крышка щеткодержателя
35
Корпус щеткодержателя
36
Щетка электрическая 7х17х17
37
Кнопка–фиксатор поворота ручки
38
Блок электронный XS-12/D3 16(16)/250~5Е4
39
Пружина Ø5.8хØ0.8х24
40
Конденсатор 0,33мкФ MEX GPF 40/85/21 (length 70m
41
Ручка накладка
42
Винт 4х18
43
Ручка
44
Выключатель Kedu HY44BC или HL S230B-20,
45
Планка крепления шнура
46
Винт 4х14
47
Втулка защитная
48
Шнур питания с вилкой H07RN-F, 2х1.5mm²
49
Ключ специальный
50
Кольцо уплотнительное
51
Втулка
52
Винт 4х25
53
Ключ 6-гранный 6*85*32