+7 (499) 702-01-13
+7 (499) 702-03-59
Пн-Пт с 9:00 до 18:00
Поиск бренда
Поиск модели
Каталог схем
FUBAG
Инструменты
Силовая техника
Генераторы бензиновые
TI 21
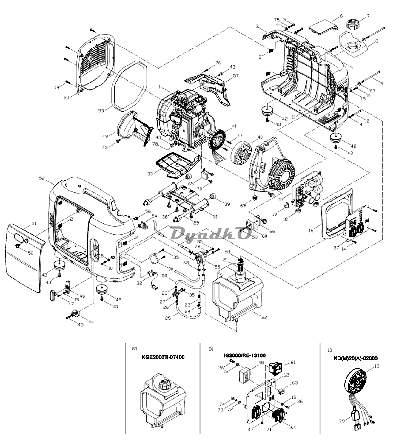
Схема FUBAG TI 21 Общая схема
1
двигатель бензиновый в сборе
2
штекер M5
3
корпус (правая) часть
4
шайба 6
5
винт M6X20
6
крышка верхняя
7
крышка топливного бака
8
манжета топливного бака
9
болт M6х180
10
винт M5X25
11
кронштейн защитный типа \"крест\" на правой крышке корпуса
12
болт M6X70
13
генератор в сборе (разъем на 6 контактов)
14
винт M5X16
15
шайба 5
16
крышка передняя
17
инвертор в сборе
18
демпфер инвертора нижний
19
демпфер инвертора боковой
20
корпус торцевой
21
фильтр
22
бак топливный
23
фильтр топливный сетчатый
24
хомут 10
25
шланг топливный I
26
хомут 7
27
переключатель топливный в сборе
28
шланг топливный II
29
втулка
30
пластина крепления микропереключателя
31
платформа
32
микропереключатель
33
крышка
34
топливный шланг III (от вакуумного насоса до карбюратора)
35
саморез ST3.8*16
36
винт M5х12
37
панель управления
38
крепление опоры (болт M8X30)
39
втулка амортизационная
40
ротор
41
статор
42
опора резиновая
43
болт M6х12
44
ручка топливного переключателя
45
винт
46
фиксатор троса стартера
47
винт М5х10
48
блок контроля 3 в 1
49
кожух глушителя (правая сторона)
50
винт M6 (чёрный)
51
крышка
52
часть корпуса левая
53
уплотнение резиновое на заднюю крышку
54
кронштейн защитный типа \"крест\" на левой крышке корпуса
55
насос
56
шайба 9
57
кожух глушителя (левая сторона)
58
индикатор топлива
59
винт M5X20
60
выпрямитель
61
приемник прямого тока
62
панель управления
63
переключатель энергосберегающий
64
вилка штепсельная
65
датчик Холла
66
кронштейн выпрямителя тока
67
шайба 6
68
хомут 9
69
сальник протекторный двигателя
70
болт M5X12
71
винт M4X16
72
шайба 4
73
шайба 4
74
гайка шестигранная M4
75
шайба 6
76
винт ST2.9X12
77
винт шестиугольный внутренний M5X30
78
шайба 6
79
втулка защитная
80
бак топливный в сборе
81
панель управления в сборе