|
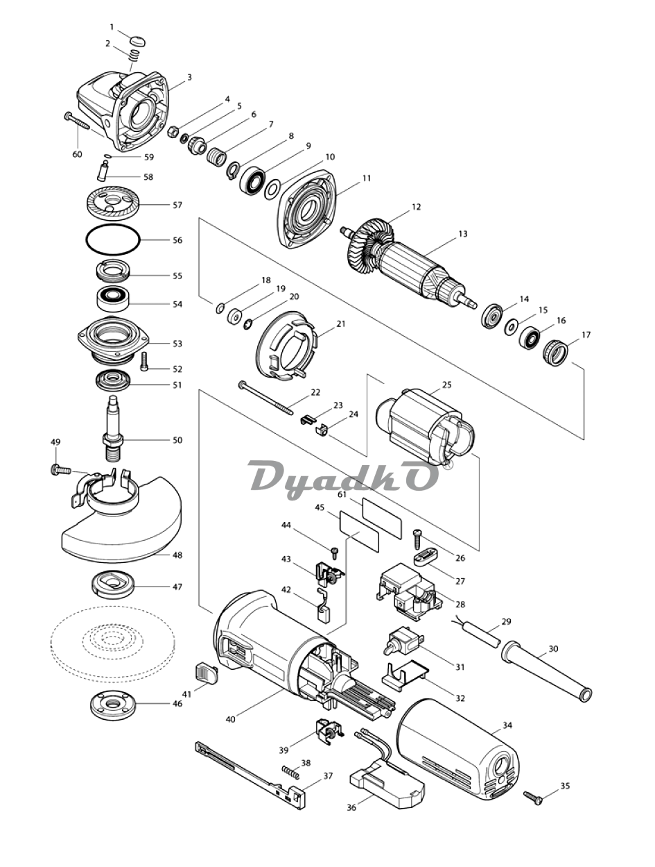
1 |
Кнопка стопора для 9565/9565С/ |
|
2 |
Компрессионная п р ужи н а 8 |
|
3 |
Корпус редуктора 9565/9562/ |
|
4 |
Шестигранная г а й к а Мб к 9565/ |
|
5 |
Плоская шайбабк 9565/9910/ |
|
006А |
Коническая спирал, шестерня 11 |
|
006-1В |
SPIRAL BEVEL GEAR 11 |
|
7 |
Стопорная пружина 12 для 9562/ |
|
8 |
Стопорное К О л ь Ц О S-12 9555NB/ |
|
9 |
Подшипник 6001LLB |
|
10 |
Плоская шайба 12 9565/В06040/ |
|
11 |
Крышка корпуса редуктора 9565/ |
|
12 |
Крыльчатка 57 для 9565/9566 |
|
13 |
Ротор в сборе к 9565C/9565CV INC. 12,14-16 |
|
14 |
Изоляционная шайба для 9565/ |
|
15 |
Плоская ша й 6 а 7 |
|
16 |
Подшипник 7/22 |
|
17 |
Пыльник резиновый 22 для 9565/ |
|
18 |
Волновая шайбаб для В06040/ |
|
19 |
Магнитная втулка для GD0800C/ |
|
20 |
Стопорная шайба 6 4340/9566С/ |
|
21 |
Защита статора для 9562/9565/ |
|
22 |
Самонарезающий винт 4X70 |
|
23 |
Держатель для 9562/9564/9565/ |
|
24 |
Изоляционная втулка для 9565/ |
|
25 |
Статор к 9565CV/9566CV /9565С/ |
|
26 |
Самонарезающий винт 4X18 |
|
027А |
Прижимная пластина к HR2450/ |
|
027-1В |
Держател ь кабеля к 3709/МТ360/ |
|
28 |
SWITCH BLOCK |
|
29 |
Кабель резиновый 1.0—2—2.5 |
|
30 |
Усилитель кабеля 8 д л я 9558NB/ |
|
31 |
Выключатель ST115A-40 к 9565/ |
|
32 |
Крышка корпуса для 9565/9562/ |
|
34 |
Задняя крышка корпуса GD0800C/ |
|
35 |
Самонарезающий винт 4X18 |
|
36 |
CONTROLLER |
|
37 |
Рычаг выключателя к 9564/9565/ |
|
38 |
Компрессионная п р ужи н а 4 |
|
39 |
Щеткодержатель для 9565/9564/ |
|
040А |
Корпус мотора для 9564/9565/ |
|
040-1А |
MOTOR HOUSING |
|
040-2А |
MOTOR HOUSING |
|
040-2В |
MOTOR HOUSING |
|
41 |
Кнопка выключателя для 9565/ |
|
42 |
Угольные щетки СВ-318 автооткл |
|
43 |
Щеткодержатель для 9565/9564/ |
|
44 |
Самонарезающий винт РТЗХ10 |
|
45 |
9565CR NAME PLATE |
|
46 |
Гайка прижимная 14-45 |
|
47 |
Внутренний фланец |
|
048-2А |
TOOLLESS WHEELCOVER 125АК ASSY |
|
048А |
Кожух диска 9562/9565 INC. 49 |
|
048-1А |
Кожух диска 5021 |
|
048-2В |
TOOLLESS WHEELCOVER 125АК ASSY |
|
049-1А |
Винт М5Х16 |
|
049А |
Винт М5Х16 |
|
049-1В |
Винт М5Х16 |
|
50 |
Шпиндель для 9562/9564/9565/ |
|
51 |
Пыльник к 9541/9542 /9562/9564/ |
|
52 |
Болте внутр.шести гран. М4Х16 |
|
053А |
Корпус подшипника |
|
053-1А |
Корпус подшипника |
|
053-1В |
Корпус подшипника |
|
54 |
Подшипник 12/32 |
|
55 |
Фиксатор подшипника для 9565/ |
|
56 |
О-к о л ь ц о 52 резиновое |
|
057А |
Коническая спирал, шестерня 38 |
|
057-1В |
SPIRAL BEVEL GEAR 38 |
|
58 |
Шпилька для 9565/9562/9564 |
|
59 |
О-к о л ь ц о 6 резиновое 9565/ |
|
60 |
Самонарезающий винт 4X28 |
|
061А |
CLEAR LABEL |
|
061-1В |
CLEAR LABEL |
|
А03 |
Ключ зажимной г а й к и 35 9558NB/ |
|
С10 |
О-К О л ь Ц О 4 резиновое INC. 49 |
|
С10 |
О-к о л ь ц о 4 резиновое INC. 49 |
|
А01 |
Боковая ручка 36 для МТ953 |
|
А02 |
Диск шли ф./м е т а л л 125x6x22.23 |
|
С10 |
О-к о л ь ц о 4 резиновое INC. 49 |