+7 (499) 702-01-13
+7 (499) 702-03-59
Пн-Пт с 9:00 до 18:00
Поиск бренда
Поиск модели
Каталог схем
CHAMPION (IGP)
Инструменты
Силовая техника
Генераторы бензиновые
GG 7500-3E
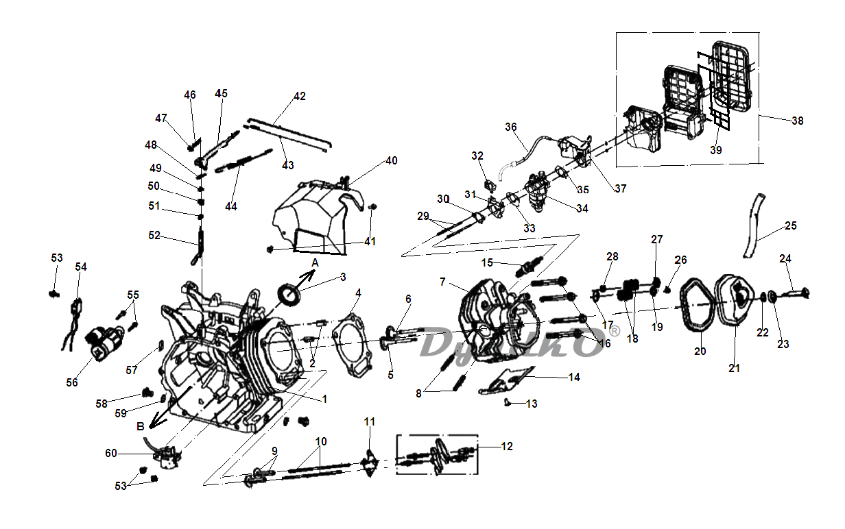
Схема CHAMPION (IGP) GG 7500-3E Цилиндр, Воздушный фильтр, Карбюратор
1
Картер
2
Штифт 12х20
3
Сальник коленвала
4
Прокладка головки цилиндра
5
Клапан выпускной
6
Клапан впускной
7
Головка цилиндра
8
Шпилька М8х34
9
Тарелка толкателя клапана
10
Толкатель клапана
11
Направляющая толкателей
12
Коромысло клапана комплект
13
Болт М6х12
14
Пластина воздухонаправляющая
15
Свеча зажигания
16
Болт М10х80
17
Пружинящая шайба
18
Пружина клапана
19
Сухарь выпускного клапана
20
Прокладка крышки клапанов
21
Крышка клапанов
22
Кольцо уплотнительное
23
Шайба
24
Болт крепления крышки
25
Шланг сапуна
26
Заглушка
27
Сухарь впускного клапана
28
Колпачек маслосъемный
29
Шпилька М8х116
30
Прокладка под теплоизолятор
31
Теплоизолятор
32
Держатель
33
Прокладка под карбюратор
34
Карбюратор с эл.маг. клапаном
35
Прокладка под корпус регулятора
36
Шланг регулятора
37
Регулятор оборотов вакуумный
38
Корпус фильтра комплект
39
Фильтр воздушный
40
Кожух
41
Болт М6х12
42
Тяга рычага регулятора оборотов
43
Пружина тяги
44
Пружина возвратная рычага оборотов
45
Рычаг регулятора оборотов
46
Болт М6х27
47
Гайка М6
48
Шплинт
49
Шайба
50
Кольцо уплотнительное оси
51
Шайба
52
Ось регулятора оборотов
53
Болт М6х8
54
Датчик уровня масла(на картере)
55
Болт М6х35
56
Стартер электрический
57
Заглушка
58
Болт для слива масла М12х14
59
Прокладка болта
60
Датчик уровня масла ( в картере)
регул ятора "
нет описания