+7 (499) 702-01-13
+7 (499) 702-03-59
Пн-Пт с 9:00 до 18:00
Поиск бренда
Поиск модели
Каталог схем
PATRIOT
Инструменты
Садовая техника
Триммеры бензиновые
PT 270 (250108270)
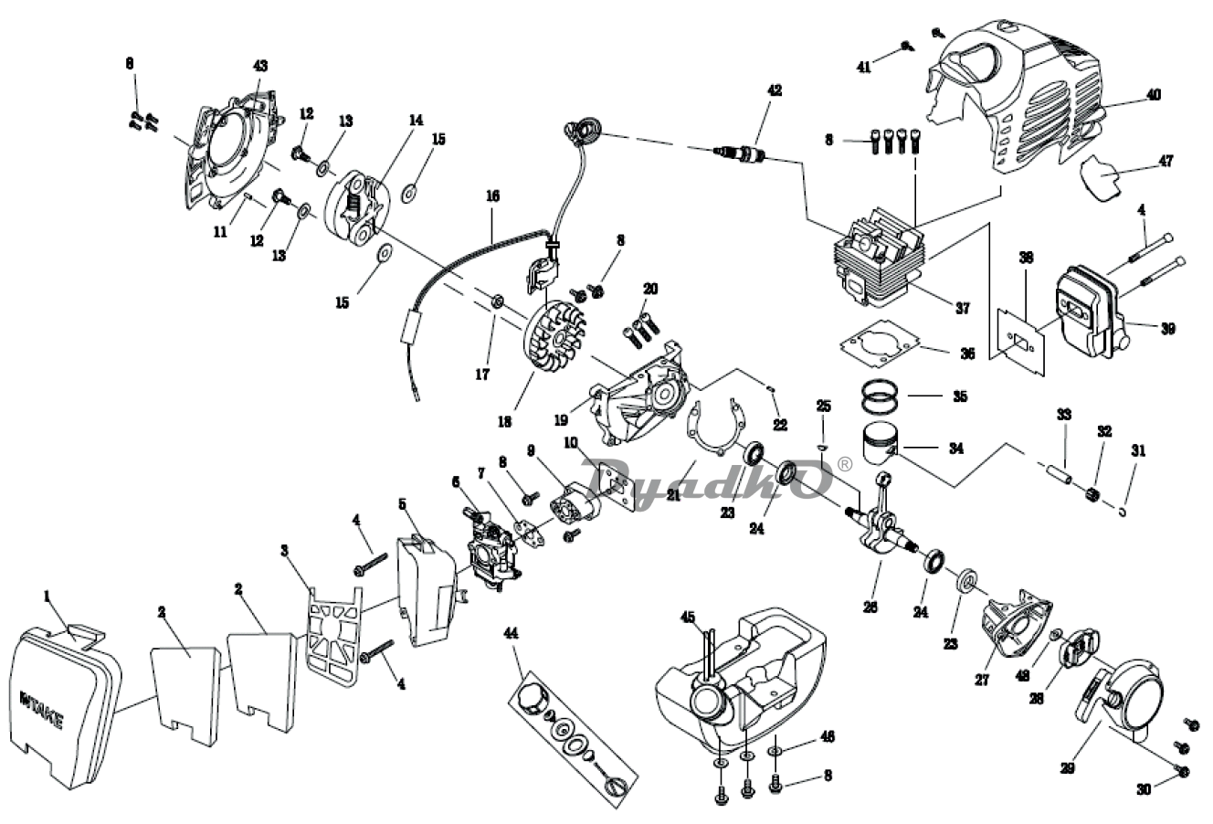
Схема PATRIOT PT 270 (250108270) Двигатель
1
Крышка воздушного фильтра
01-05
Воздушный фильтр в сборе
2
Фильтрующий элемент
3
Внутренняя пластина воздушного фильтра
4
Винт М5х50
5
Основание воздушного фильтра
6
Карбюратор
7
Прокладка карбюратора
8
Винт М5х20
9
Дамба карбюратора
10
Прокладка дамбы карбюратора
11
Направляющий В4х8
12
Винт М6х22
13
Шайба 8
14
Диск сцепления в сборе
15
Шайба 6
16
Катушка зажигания в сборе
17
Гайка М8х1
18
Маховик
19
Картер-передняя половина
20
Винт М5х30
21
Прокладка картера
22
Направляющий В3х10
23
Сальник 12х22х7
24
Подшипник коленвала 6001/P5
25
Шпонка коленвала 3х10
26
Коленвал с шатуном в сборе
27
Картер-задняя половина
28
Плата собачек стартера в сборе
29
Стартер в сборе
30
Винт М5х16
31-37
ЦПГ(цилиндропоршневая группа) (комплект)
31
Стопорное кольцо поршневого пальца
32
Подшипник поршневого пальца 081111
33
Поршневой палец
34
Поршень
35
Кольцо поршневое
36
Прокладка цилиндра
37
Цилиндр
38
Прокладка глушителя
39
Глушитель
40
Кожух двигателя
41
Винт М4х18
42
Свеча зажигания L7T
43
Передняя крышка двигателя
44
Крышка топливного бака в сборе
45
Топливный бак с трубками
46
Шайба 5
47
Перегородка
48
Шайба 8