+7 (499) 702-01-13
+7 (499) 702-03-59
Пн-Пт с 9:00 до 18:00
Поиск бренда
Поиск модели
Каталог схем
BOSCH
Инструменты
Электроинструмент
Лобзики
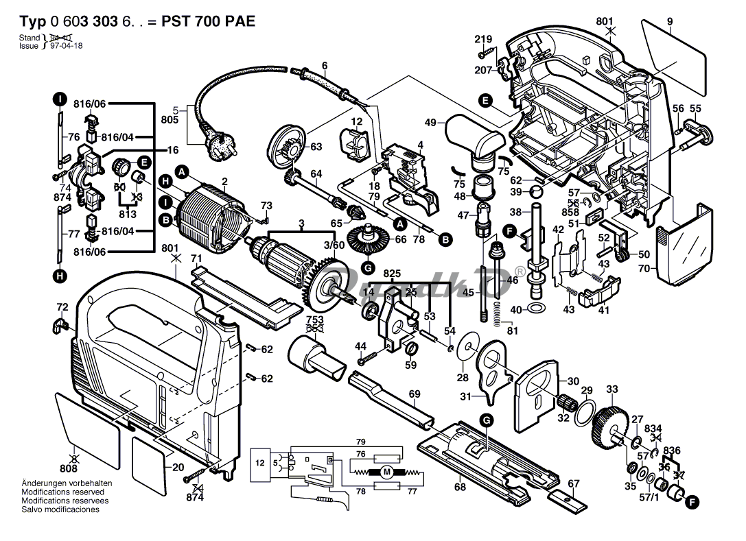
PST 700 PAE (0603303608)
Схема BOSCH PST 700 PAE (0603303608)
2
статор 230-240V
3
Ротор 230V
3/60
ВЕНТИЛЯТОР
4
ВЫКЛЮЧАТЕЛЬ
6
НАКОНЕЧНИК Ø7 MM
9
Этикетка фирмы СОЛНЕЧНАЯ СТОРОНА
12
ПОМЕХОПОДАВЛЯЮЩИЙ КОНДЕНС
14
Шарикоподшипники 9x24x7
16
Щеточная пластина
18
Винт с цилиндр.головкой M3x6,5-4.8
27
Регулировочное кольцо 0,3 MM
28
Регулировочное кольцо 0,5 MM
29
Регулировочное кольцо 0,5 MM
30
Регулировочное кольцо 5,5 MM
31
ВИЛЬЧАТЫЙ РЫЧАГ
32
КОМПЛЕКТ РОЛИКОВ
33
ЭКСЦЕНТРИКОВАЯ ШЕСТЕРНЯ Z=39
35
ПРОМЕЖУТОЧНОЕ КОЛЬЦО
38
Ходовая штанга
39
Втулка скольжения
40
Регулировочное кольцо 0,5 MM
41
ОПОРНАЯ ПЛИТА
42
НАПРАВЛЯЮЩАЯ СКОБА
43
Пружина сжатия
44
ВИНТ С ЦИЛИНДРИЧЕСКОЙ ГОЛ DIN 7985-M4x18-8.8-H
45
ЗАЖИМНОЙ ВИНТ
46
ПОЛУМУФТА
47
ТРЕЩЕТКА
48
НАПРАВЛЯЮЩАЯ ГИЛЬЗА
49
ВРАЩАЮЩАЯСЯ РУЧКА
50
РОЛИКОВЫЙ РЫЧАГ
51
Уплотнительная прокладка
52
ЦИЛИНДРИЧЕСКИЙ ШТИФТ
53
ЦИЛИНДРИЧЕСКИЙ ШТИФТ DIN 6325-4m6x20
54
Регулировочное кольцо 0,5 MM
55
Кнопка реверса 230V ЧЕРНЫЙ
56
Фиксатор
57
Регулировочное кольцо 0,5 MM
59
Регулировочное кольцо
62
Штифт зубчатого колеса
63
ВРАЩАЮЩАЯСЯ РУЧКА
64
ТРЕЩЕТКА
65
ШЕСТЕРЕНКА Z=8
66
Зубчатое колесо ведущее Z=32
67
Планка профильная
68
ОПОРНАЯ ПЛИТА
69
КАНАЛ ВСАСЫВАНИЯ
70
ЗАКРЫВАЮЩИЙ КОЖУХ
71
ПРОКЛАДКА
72
ЗАКРЫВАЮЩИЙ КОЛПАЧОК
73
Пружинный контакт
75
ШНУР КРУГЛОГО СЕЧЕНИЯ
76
СОЕДИНИТЕЛЬНЫЙ КАБЕЛЬ L=50 MM БЕЛЫЙ
77
СОЕДИНИТЕЛЬНЫЙ КАБЕЛЬ L=73 MM БЕЛЫЙ
78
СОЕДИНИТЕЛЬНЫЙ КАБЕЛЬ L=213 MM СИНИЙ
79
СОЕДИНИТЕЛЬНЫЙ КАБЕЛЬ L=263MM СИНИЙ
81
Пружина сжатия
753
ШТУЦЕР ПРИСОЕДИНЕНИЯ
801
Корпус ЗЕЛЕНЫЙ
808
Этикетка типа
813
ИГОЛЬЧАТЫЙ ПОДШИПНИК
816/04
КОМПЛЕКТ УГОЛЬНЫХ ЩЕТОК
816/06
Фиксатор
825
Подшипниковый мост
834
ПРЕДОХРАНИТЕЛЬНАЯ ШАЙБА DIN 6799-6-FST
836
ИГОЛЬЧАТЫЙ ПОДШИПНИК
858
ПРЕДОХРАНИТЕЛЬНАЯ ШАЙБА DIN 6799-5-FSt
874
ВИНТ САМОНАРЕЗАЮЩИЙ DIN 7981-ST3,9x19-C-H
Фиксатор
Регулировочное кольцо
Регулировочное кольцо 0,3 MM
Регулировочное кольцо 0,3 MM