+7 (499) 702-01-13
+7 (499) 702-03-59
Пн-Пт с 9:00 до 18:00
Поиск бренда
Поиск модели
Каталог схем
MAKITA
Инструменты
Шлифовальное оборудование
Углошлифовальные машины сетевые
M0921
Схема MAKITA M0921
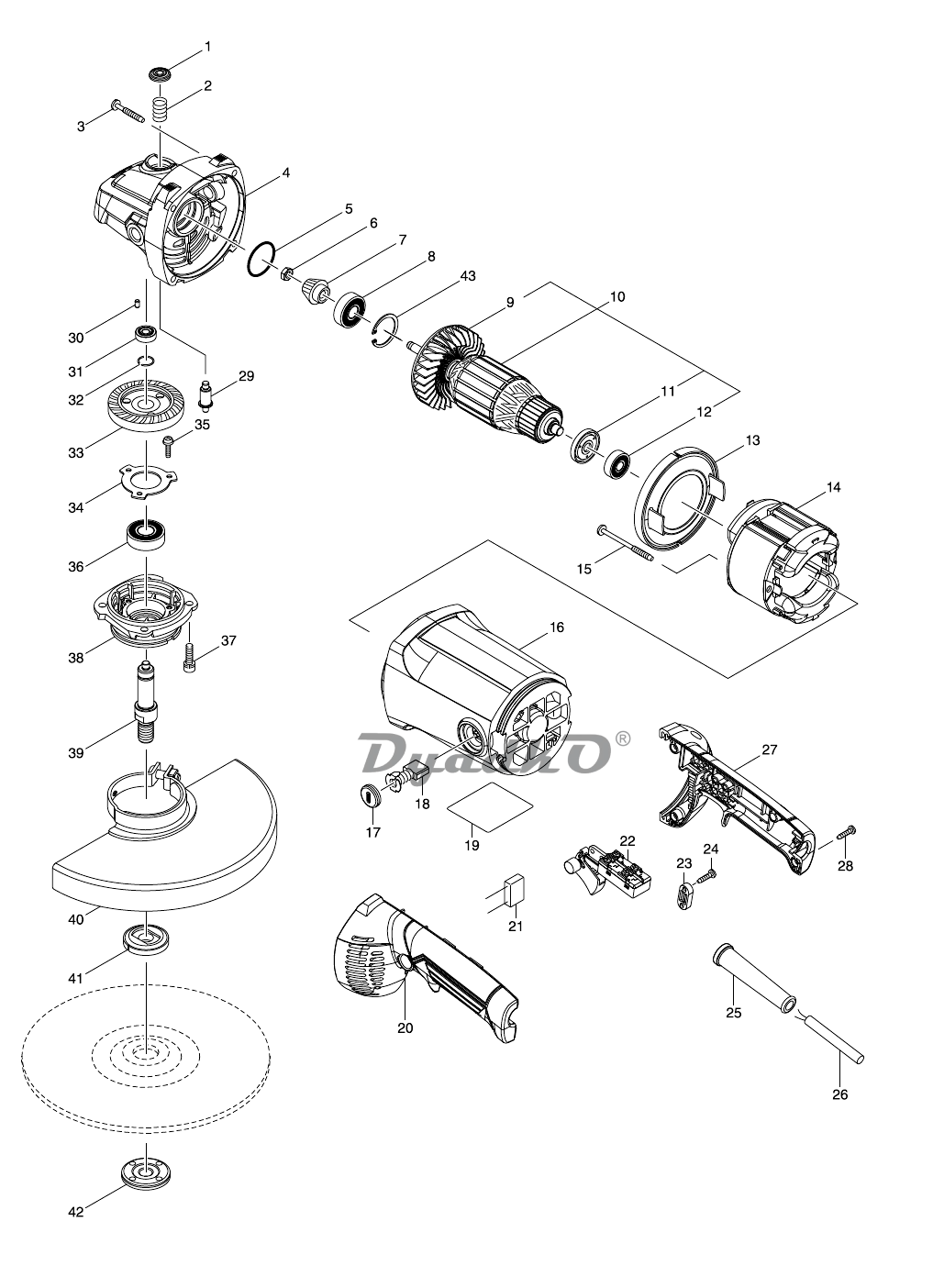
001
PIN CAP
002
COMPRESSION SPRING 12
003
TAPPING SCREW 5X35
004
GEAR HOUSING
005
O RING 32
006
HEX.NUT M7
007
SPIRAL BEVEL GEAR 12
008
BALL BEARING 6201DDW
009
FAN 80
10
ARMATURE ASS\'Y 240V
11
INSULATION WASHER
12
BALL BEARING 629ZZ
13
BAFFLE PLATE
14
FIELD 220V
15
TAPPING SCREW 5X65
16
MOTOR HOUSING COMPLETE
17
HOLDER CAP
18
CARBON BRUSH CB-203
19
M0921 NAME PLATE
20
HANDLE SET
21
NOISE SUPPRESSOR
22
SWITCH TN31-2
23
STRAIN RELIEF
24
TAPPING SCREW 4X18
25
CORD GUARD 9.3-90
26
POWER SUPPLY CORD 1.0-2-2.0
026-1
POWER SUPPLY CORD 1.0-2-2.0
27
HANDLE SET
28
TAPPING SCREW 4X18
29
SHOULDER PIN 5
30
RUBBER PIN 4
31
BALL BEARING 607ZZ
32
RING SPRING 13
33
SPIRAL BEVEL GEAR 53B
34
BEARING RETAINER
35
PAN HEAD SCREW M4X14
36
BALL BEARING 6202DDW
37
HEX. SOCKET HEAD BOLT M6X22
38
BEARING BOX
038-1
BEARING BOX
39
SPINDLE
40
WHEEL COVER 230 COMPLETE
040-1
WHEEL COVER 230K ASS\'Y
41
INNER FLANGE 42
041-1
INNER FLANGE 14-45
42
LOCK NUT 14-45
43
RETAINING RING (INT) R-32
D10
INC. 27
D10
INC. 9,11,12
A02
LOCK NUT WRENCH 35
D10
INC. 20
C10
+PAN HEAD SCREW M8X25
C10
O RING 6
C20
PAN HEAD SCREW M8X25
A01
GRIP 36 COMPLETE
C10
BRUSH HOLDER 7-18