+7 (499) 702-01-13
+7 (499) 702-03-59
Пн-Пт с 9:00 до 18:00
Поиск бренда
Поиск модели
Каталог схем
ЗУБР
Инструменты
Садовая техника
Измельчители веток электрические
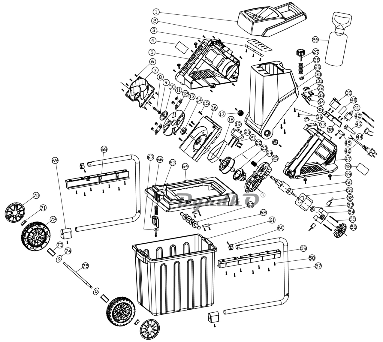
ЗИЭ-40-2500
Схема ЗУБР ЗИЭ-40-2500
1
Питающий бункер
2
Защититный блок
3
Прижимная пластина
4
Этикетка
5
Правый корпус
6
Винт
7
Крышка ножа
8
Болт
9
Пружинная шайба
10
Фланец верхний
11
Винт
12
Нож
13
Диск ножевой
14
Фланец нижний
15
Винт
16
Вверхня крышка редуктора
17
Проставка
18
Ремень
19
Защита от перегрузки 11A,AC250V
20
Кронштейн
21
Винт
22
Шкив ведомый
23
Эксцентрик
24
Шкив ведущий
25
Нижняя крышка редуктора
26
Толкатель
27
Винт-барашек
28
Пружина
29
Стопорное кольцо
30
Корпус
31
Кронштейн
32
Гайка
33
Пружинная шайба
34
Винт
35
Кронштейн
36
Винт
37
Гайка
38
Коробка клейменная
39
Выключатель KJD17,AC250V 16(12)A,IP55,5E4
40
Этикетка
41
Выключатель JB01-15/2,AC250V,50HZ,15A,IP54
42
Соединительный провод
43
Воротник шнура
44
Конденсатор 0.33uF
45
Зажим кабеля
46
Сетевой шнур 2x1.5mm2 l=0.35m
47
Левый корпус
48
Этикетка
49
Винт
50
Ротор
51
Статор
52
Щетка графитовая 20x10.8x6.3 (пара)
53
Подшипник 608
54
Щеткодержатель
55
Винт
56
Крыльчатка
57
Рама
58
Винт
59
Крепление
60
Заглушка
61
Контейнер
62
Зажим
63
Ось
64
Крышка
65
Пружина
66
Ручка
67
Шайба
68
Крепление
69
Ножка
70
Колпак колеса
71
Гайка
72
Колесо
73
тулка
74
Шайба
75
Ось