+7 (499) 702-01-13
+7 (499) 702-03-59
Пн-Пт с 9:00 до 18:00
Поиск бренда
Поиск модели
Каталог схем
КАЛИБР
Инструменты
Электроинструмент
Пилы циркулярные (дисковые)
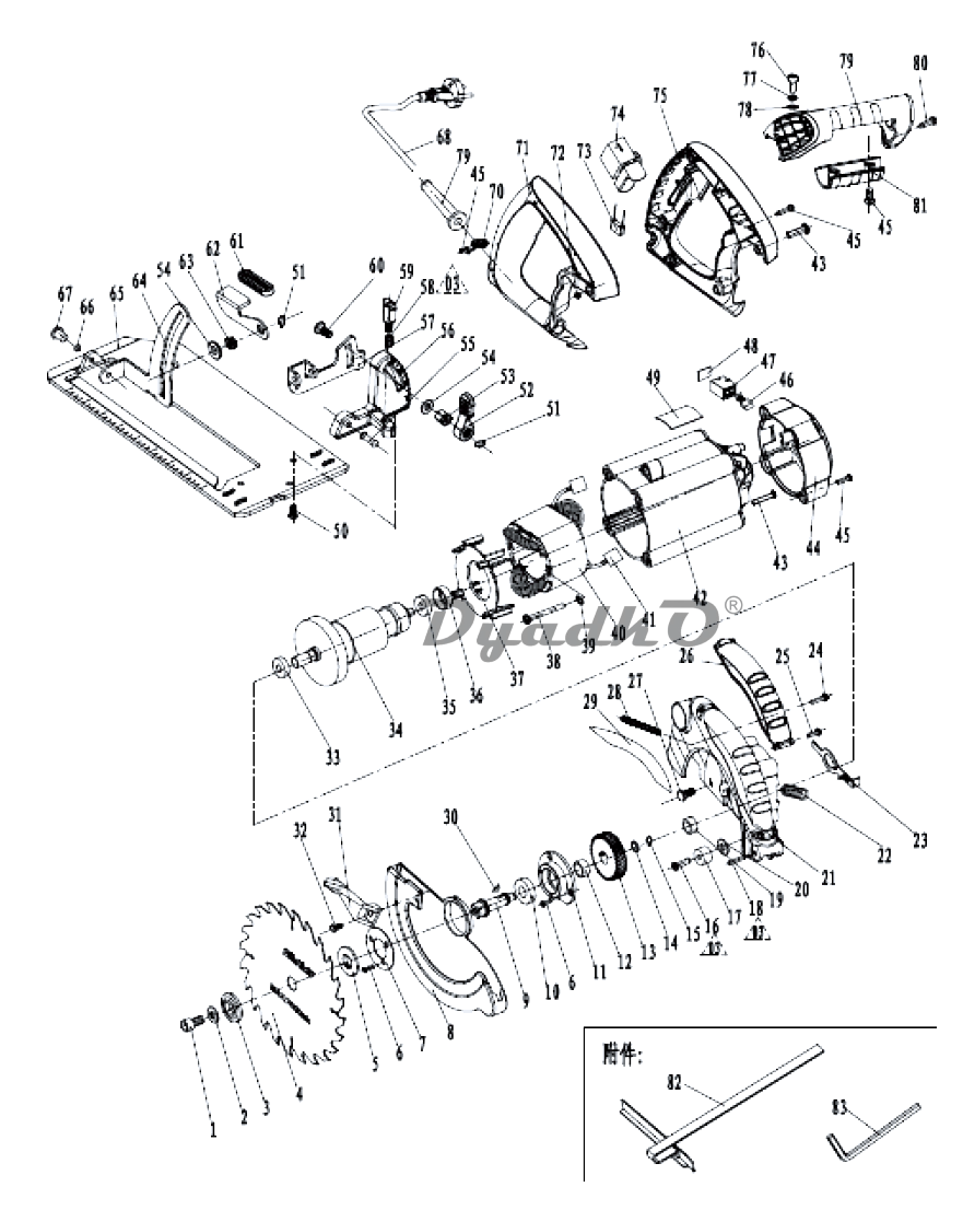
ЭПД-1500/185D (YHui/LFENG/YOH)
Схема КАЛИБР ЭПД-1500/185D (YHui/LFENG/YOH)
1
Винт М8×16
2
Шайба 8×22×2
3
Прижимная шайба
4
Диск
5
Опорная шайба
6
Винт М4×10
7
Шайба кожуха защитного подвижного
8
Кожух защитный подвижный
9
Шпиндель
10
Подшипник 6001-2RS
11
Гнездо подшипника
12
Втулка промежуточная ф12*ф18*9
13
Шестерня
14
Плоская шайба 12×16×1
15
Кольцо стопорное
16
Винт М5×18
17
Втулка резиновая
18
Палец 6×35
19
Втулка бронзовая 8*14*8
20
Плоская шайба 6×20×1.5
21
Кожух стационарный
22
Пружина Ø5.9×0.7×10
23
Стопор
24
Винт М4*30
25
Винт М4*14
26
Пластиковая крышка
27
Болт М6*16
28
Пружина Ø3.8×0.7×103
29
Наклейка
30
Шпонка 3*10
31
Рычаг кожуха защитного
32
Винт М4*8
33
Подшипник 6000-2RS
34
Якорь
35
Подшипник 607-2RS
36
Втулка подшипника резиновая (607)
37
Кольцо воздухонаправляющее
38
Винт статора М4,2*65F
39
Шайба
40
Статор
41
Контакт 8.5×8.5×17
42
Корпус двигателя
43
Винт М5*30
44
Крышка корпуса двигателя
45
Винт статора М4,2*14F
46
Щётка
47
Щёткодержатель
48
Крышка щёткодержателя
49
Наклейка
50
Винт М5*11
51
Шайба стопорная
52
Рычаг фиксатора
53
Длинная гайка M6×12
54
Шайба Ø 11*14*1,4
55
Заклёпка 5×15
56
Суппорт регулировки наклона
57
Кронштейн регулировки наклона
58
Пружина сжатия Ø7.1ר0.7×3
59
Винт-барашек М6
60
Болт М6*30
61
Накладка для запирания ключа
62
Рычаг замка регулирования глубины
63
Гайка М 6*6,5
64
Направляющая регулировки глубины
65
Основание
66
Шайба Ø 5×10×0.2
67
Заклёпка 5×9
68
Кабель питания с вилкой
69
Бандаж
70
Зажим кабеля
71
Правая рукоятка
72
Гайка М 5
73
Конденсатор фильтра р/помех
74
Выключатель HY15B (клавиша широкая)
75
Левая рукоятка
76
Винт М5*6
77
Шайба пружинная
78
Шайба
79
Дополнительная рукоятка
80
Винт ST4.8×16-F
81
Крышка дополнитьельной рукоятки