+7 (499) 702-01-13
+7 (499) 702-03-59
Пн-Пт с 9:00 до 18:00
Поиск бренда
Поиск модели
Каталог схем
КАЛИБР
Инструменты
Электроинструмент
Пилы циркулярные (дисковые)
ЭПД-1500/165D (Yhui)
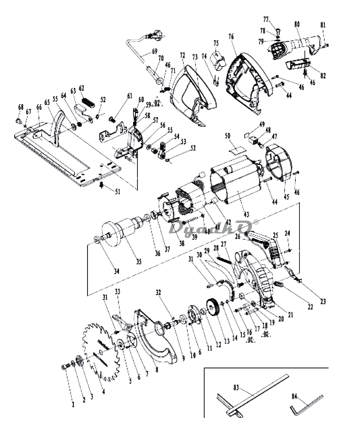
Схема КАЛИБР ЭПД-1500/165D (Yhui)
1
Винт М8×16
2
Шайба 8×22×2
3
Шайба прижимная
4
Диск
5
Опорная шайба
6
Винт М4×10
7
Шайба кожуха защитного подвижного
8
Кожух защитный подвижный
9
Шпиндель
10
Подшипник 6001RS
11
Гнездо подшипника
12
Втулка промежуточная
13
Шестерня
14
Плоская шайба 12×16×1
15
Кольцо стопорное
16
Винт М5×18
17
Втулка резиновая
18
Палец 6×35
19
Втулка бронзовая (подшипник скольжения) 8C7×14×8
20
Плоская шайба 6×20×1.5
21
Кожух стационарный
22
Пружина Ø5.9×0.7×10
23
Стопор
24
Винт М4*30
25
Винт М4*14
26
Пластиковая крышка
27
Болт М6*16
28
Пружина Ø3.8×0.7×103
29
Наклейка
30
Накладка
31
Винт М4*8
32
Шпонка 3*10
33
Рычаг кожуха защитного
34
Подшипник 6000RS
35
1
36
Подшипник 607RS
37
Втулка подшипника резиновая (6000)
38
Кольцо воздухонаправляющее
39
Винт статора М4,2*65F
40
Шайба
41
Статор
42
Контакт 8.5×8.5×17
43
Корпус двигателя
44
Винт М5*30
45
Крышка двигателя задняя
46
Винт статора М4,2*14F
47
Щётка
48
Щёткодержатель
49
Крышка щёткодержателя
50
Наклейка
51
Винт М5*12
52
Шайба стопорная
53
Рычаг фиксатора
54
Длинная гайка M6×13
55
Шайба Ø 11*14*1,5
56
Заклёпка 5×16
57
Суппорт регулировки наклона
58
Кронштейн регулировки наклона
59
Пружина сжатия Ø7.1ר0.7×3
60
Винт-барашек
61
Болт М6*30
62
Накладка для запирания ключа
63
Рычаг замка регулирования глубины
64
Гайка М 6*6,5
65
Направляющая регулировки глубины
66
Основание
67
Шайба Ø 5×10×0.2
68
Заклёпка 5×9
69
Кабель питания с вилкой
70
Бандаж
71
Зажтим кабеля
72
Рукоятка передняя в сборе (правая)
73
Гайка М 5
74
Конденсатор фильтра р/помех
75
Выключатель
76
Рукоятка передняя в сборе (левая)
77
Винт М5*6
78
Шайба пружинная
79
Шайба
80
Дополнительная рукоятка
81
Винт ST4.8×16-F
82
Крышка дополнитьельной рукоятки
Якорь "
нет описания