+7 (499) 702-01-13
+7 (499) 702-03-59
Пн-Пт с 9:00 до 18:00
Поиск бренда
Поиск модели
Каталог схем
КАЛИБР
Инструменты
Шлифовальное оборудование
Углошлифовальные машины сетевые
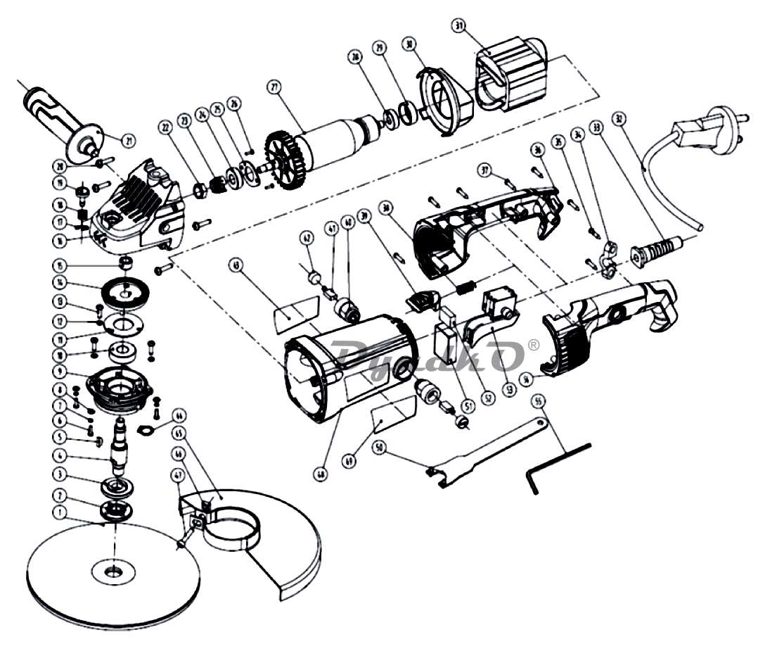
МШУ-230/2200Р (ZD)
Схема КАЛИБР МШУ-230/2200Р (ZD)
1
Диск рабочий
2
Гайка зажимная
3
Шайба опорная
4
Шпиндель
5
Шпонка сегментная 4?13 (4?5?13)
6
Винт М5?14
7
Шайба пружинная 5
8
Шайба 5
9
Крышка корпуса редуктора
10
Подшипник 6202-2Z
11
Крышка подшипника 6202-3
12
Шайба пружинная 4
13
Винт М4?10
14
Шестерня большая конической пары
15
Подшипник игольчатый HK101610
16
Корпус редуктора
17
Шайба стопорная Е O5
18
Пружина стопора
19
Стопор
20
Винт ST4,8?25
21
Рукоятка дополнительная
22
Гайка самоконтрящаяся М8
23
Шестерня малая конической пары
24
Подшипник 6001-2Z
25
Крышка подшипника 6001-2
26
Винт М4?10
27
Якорь
28
Подшипник 629-2Z
29
Втулка подшипника резиновая (629)
30
Кольцо воздухонаправляющее
31
Статор
32
Кабель питания 2?1,0мм? с вилкой
33
Бандаж кабеля резиновый
34
Зажим кабельный
35
Винт ST4,2?14
36
Рукоятка правая часть
37
Винт ST4,2?16
38
Пружина фиксатора
39
Кнопка фиксатора
40
Щёткодержатель
41
Щётка
42
Крышка щёткодержателя
43
Табличка данных
44
Кольцо стопорное 14 (нар.)
45
Кожух защитный
46
Гайка квадратная М8
47
Болт М8?30 внутр. шестигр.
48
Корпус
49
Табличка торговой марки
50
Ключ затяжки круга
51
Дроссель плавного пуска XS12/D3
52
Конденсатор фильтра р/помех О.ЗЗмкФ
53
Выключатель
54
Рукоятка левая часть
55
Ключ шестигранный