+7 (499) 702-01-13
+7 (499) 702-03-59
Пн-Пт с 9:00 до 18:00
Поиск бренда
Поиск модели
Каталог схем
КАЛИБР
Инструменты
Электроинструмент
Дрели
ДЭ-680ЕРУ+, ДЭ-680ЕРУ (ZD)
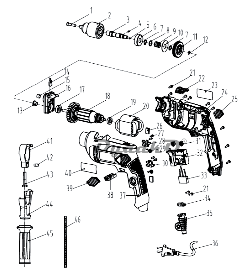
Схема КАЛИБР ДЭ-680ЕРУ+, ДЭ-680ЕРУ (ZD) ДЭ-680ЕРУ+; ДЭ-680ЕРУ (ZD)
1
Винт М5×25 левый
2
Патрон13мм
3
Шпиндель
4
Шпонка призматическая 3×5
5
Шарик стальной Ø5
6
Подшипник 6201-2Z
7
Кольцо стопорное 12 (нар.)
8
Шайба
9
Пружина ударная
10
Шайба большая
11
Шестерня
12
Кольцо стопорное 10 (нар.)
13
Втулка
14
Вилка переключателя удара
15
Втулка-подшипник скольжения 8*12*8
16
Разделитель
17
Подшипник 608-2Z
18
Якорь
19
Подшипник 626-2Z
20
Статор
21
Винт ST4,2×14
22
Кнопка включения удара
23
Наклейка данных
24
Корпус (правая часть)
25
Решётка вентиляционная правая
26
Щётка №178
27
Винт ST2,9×9
28
Щёткодержатель верхний
29
Пружина щёткодержателя
30
Щёткодержатель нижний
31
Индуктивность фильтра р/помех
32
Выключатель FA2-4/1BEK (реверс, регулятор, фиксация)
33
Конденсатор фильтра р/помех 0,33мкФ
34
Прижим кабеля
35
Бандаж кабеля резиновый
36
Кабель питания 2×0,75мм² с вилкой
37
Корпус (левая часть)
38
Кнопка реверса
39
Решётка вентиляционная левая
40
Наклейка торговой марки
41
Хомут
42
Гайка М8
43
Болт М8×40
44
Суппорт рукоятки
45
Рукоятка дополнительная
46
Ограничитель глубины сверления