+7 (499) 702-01-13
+7 (499) 702-03-59
Пн-Пт с 9:00 до 18:00
Поиск бренда
Поиск модели
Каталог схем
ИНТЕРСКОЛ
Инструменты
Электроинструмент
Штроборезы
ПД-230/2100
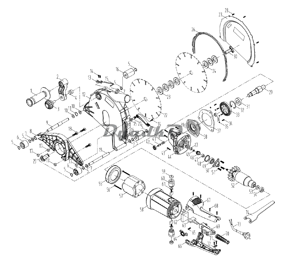
Схема ИНТЕРСКОЛ ПД-230/2100
1
13418.5191 Рукоятка боковая
2
13418.5102 Стойка рукоятки
3
13418.5103 Маховик фиксации рукоятки M10х20
4
13418.5104 Пружина Ø23хØ1.5х18
5
13418.5105 Кольцо пружинное Ø12
6
13418.5106 Ролик малый
7
13418.5107 Шайба
8
13418.5108 Рычаг регулировки глубины пропила
9
13418.5109 Ось
10
13418.5110 Шайба
11
13418.5111 Кольцо пружинное Ø15
12
13418.5112 Кожух защитный
13
13418.5113 Держатель ключа
14
13418.5114 Винт M4х10
15
13418.5115 Ключ шестигранный S4
16
13418.5116 Ролик большой
17
13418.5117 Гайка M8
18
13418.5118 Болт M8х30
19
13418.5119 Ось
20
13418.5120 Винт
21
13418.5121 Рычаг фиксации глубины пропила
22
13418.5122 Диск алмазный Ø230х5хØ22.2
23
13418.5123 Шайба тонкая Ø22,2хØ42,2х4
24
13418.5124 Шайба толстая Ø22,2хØ42,2х6
25
Втулка
26
13418.5126 Прокладка резиновая
27
13418.5127 Крышка кожуха защитного
28
13418.5128 Винт М5х16(вн. шст.)
29
Шпиндель Ø14
30
Гайка крепления диска
31
13418.5131 Подшипник шариковый 6203 (17х40х12)
32
13418.5132 Кольцо пружинное Ø40
33
Колесо зубчатое коническое Z=57
34
13418.5134 Винт M5х20
35
13418.5135 Шайба пружинная Ø5
36
13418.5136 Подшипник игольчатый HK1210 (12х16х10)
37
13418.5137 Пластина крепежная
38
Крышка редуктора
39
13418.5139 Винт ST5х40,head < Ø8.5
40
13418.5140 Пружина Ø15хØ1х12.5
41
13418.5141 Фиксатор шпинделя
42
13418.5142 Кнопка фиксатора шпинделя
43
13418.5143 Винт ST5х30, head < Ø8.5
44
Корпус редуктора
45
13418.5145 Шайба пружинная Ø8
46
Шестерня коническая Z=11
47
13418.5147 Втулка
48
13418.5148 Кольцо уплотнительное
49
13418.5149 Подшипник шариковый 6201-2RS (12х32х10)
50
13418.5150 Крышка подшипника
51
13418.5151 Винт M5х10
52
Якорь с вентилятором Ø54х62, 220V-240V, 2100W
53
13418.5153 Подшипник шариковый 608-2RS (8х22х7)
54
13418.5154 Втулка демпфирующая
55
13418.5155 Диафрагма
56
13418.5156 Винт ST5х75
57
Статор Ø95х62, 220V-240V, 2100W
58
13418.5158 Корпус двигателя
59
13418.5159 Крышка щеткодержателя
60
13418.5160 Корпус щеткодержателя
61
13418.5161 Щетка электрическая 7х17х17
62
Блок электронный XS-12/D3 12(12)/250~5Е4
64
13418.5165 Кнопка–фиксатор поворота ручки
65
13418.5166 Пружина Ø5.8хØ0.8х24
66
Ручка
67
Ручка накладка
68
13418.5169 Винт ST4х18, head < 7.3
69
13418.5170 Выключатель KEDU HY44BC 20(12)A 250V~5E4
70
13418.5171 Втулка защитная
71
13418.5172 Винт ST4х14
72
13418.5173 Планка крепления шнура
73
13418.5174 Шнур питания с вилкой H07RN-F, 2х1.5mm²
74
13418.5175 Ключ специальный
75
13418.5191 Шайба
Пила алмазная двухдисковая угловая (штроборез) ПД-230/2100