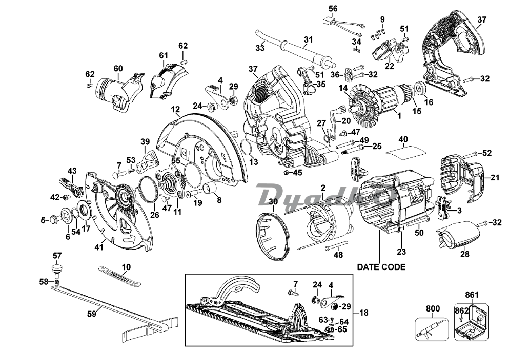
| 1 | ARMATURE 230V QS |
| 1 | ARMATURE 230V GB |
| 1 | ARMATURE 115/120V LX |
| 2 | FIELD SA 230V GB |
| 2 | FIELD SA 230V QS |
| 2 | FIELD 120V LX |
| 3 | BRUSH HOLDER PAIR |
| 4 | LEVER |
| 5 | OUTER FLANGE |
| 5 | SCREW. SPECIAL |
| 7 | CARRIAGE BOLT |
| 8 | BUMPER |
| 9 | SCREW |
| 10 | WRENCH SPECIAL |
| 10 | RATING PLATE QS |
| 10 | RATING PLATE GB |
| 11 | GUARD LOWER |
| 11 | SPINDLE SA |
| 12 | SCREW |
| 12 | GEARCASE SA INCL 13 |
| 13 | LEVER |
| 13 | 0 RING |
| 14 | BEARING |
| 15 | BEARING |
| 15 | STOP NUT |
| 16 | RUBBER BOOT |
| 17 | SCREW |
| 17 | WASHER INNER CLAMP |
| 18 | SHOE SA |
| 18 | SCREW |
| 19 | SCREW.TEMP |
| 19 | SCREW |
| 20 | LEVER LOCK |
| 21 | END CAP |
| 22 | SWITCH SA |
| 23 | FIELDCASE |
| 24 | SCREW |
| 25 | BOLT |
| 26 | SPRING |
| 27 | SPRING |
| 28 | HANDLE |
| 29 | STOP NUT |
| 30 | BAFFLE FAN |
| 31 | CORD PROTECTOR |
| 32 | SCREW |
| 33 | CORDSET (EURO) QS |
| 33 | CORDSET LX |
| 33 | CORDSET (M/PLUG) GB GB |
| 34 | TERMINAL |
| 35 | CORD CLAMP |
| 36 | CORD CLAMP |
| 37 | HANDLE SA |
| 39 | STRAP |
| 40 | RATING PLATE LX |
| 50 | DUST PORT |
| 50 | SCREW |
| 51 | SCREW |
| 51 | DUST PORT |
| 52 | SCREW |
| 52 | SCREW |
| 53 | SCREW |
| 53 | SCREW |
| 54 | WASHER |
| 54 | RETAINER |
| 55 | 0 RING |
| 55 | KNOB |
| 56 | CAPACITOR |
| 57 | SCREW |
| 58 | SPRING |
| 59 | FENCE |
| 800 | GREASE 50 GMS |
| 861 | KITBOX |
| 862 | SPRING CLIP |