+7 (499) 702-01-13
+7 (499) 702-03-59
Пн-Пт с 9:00 до 18:00
Поиск бренда
Поиск модели
Каталог схем
MAKITA
Инструменты
Аккумуляторный инструмент
Ножницы и резчики
BJS 100 RFE
Схема MAKITA BJS 100 RFE
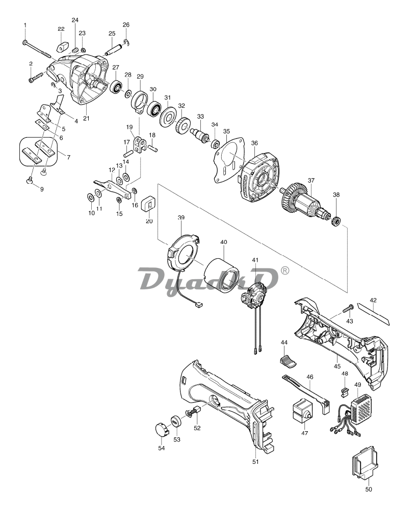
1
TAPPING SCREW 4X50
2
HEX. SOCKET HEAD BOLT M4X25
3
STOP RING E-4
4
SLIP PLATE L
5
SLIP PLATE R
6
SPACER
7
SIDE BLADE SET
9
HEX. SOCKET HEAD BOLT M5X10
10
TEFLON WASHER 7
11
THIN WASHER 7
12
CENTER BLADE
13
THIN WASHER 7
14
TEFLON WASHER 7
15
FLAT WASHER 5
16
FLAT WASHER 5
17
PIN 5
18
PIN 5
19
LINK
20
DUST COVER
21
CRANK HOUSING COMPLETE
22
BLOCK
23
HEX. LOCK NUT M4-7
24
H.S.SET SCREW(FLAT POINT)M6X10
25
PIN 7
26
STOP RING E-6
27
BALL BEARING 627DDW фото1 фото2
28
FLAT WASHER 7
29
ROD
30
BALL BEARING 6000ZZ
31
SEALING SCREW
32
HELICAL GEAR 34
33
CRANK SHAFT
34
BALL BEARING 696ZZ
35
GASKET
36
GEAR HOUSING COMPLETE
37
ARMATURE
38
RUBBER RING 13
39
LED CIRCUIT
40
YOKE UNIT
41
ENDBELL COMPLETE
42
BJS100 NAME PLATE
43
TAPPING SCREW 4X18
44
SWITCH KNOB
45
HOUSING SET INC. 51
46
SWITCH LEVER
47
SWITCH 1246.3223
48
CUSHION
49
CONTROLLER
50
TERMINAL
51
HOUSING SET INC. 45
52
CARBON BRUSH CB-430
53
BRUSH HOLDER CAP
54
HOLDER CAP COVER
A01
HEX. WRENCH 3
A02
DC18RA FAST CHARGER
A03
BATTERY BL1430 SET
A04
BATTERY COVER
A05
PLASTIC CARRYING CASE