+7 (499) 702-01-13
+7 (499) 702-03-59
Пн-Пт с 9:00 до 18:00
Поиск бренда
Поиск модели
Каталог схем
METABO
Инструменты
Аккумуляторный инструмент
Перфораторы
KHA 18 LTX (00210000)
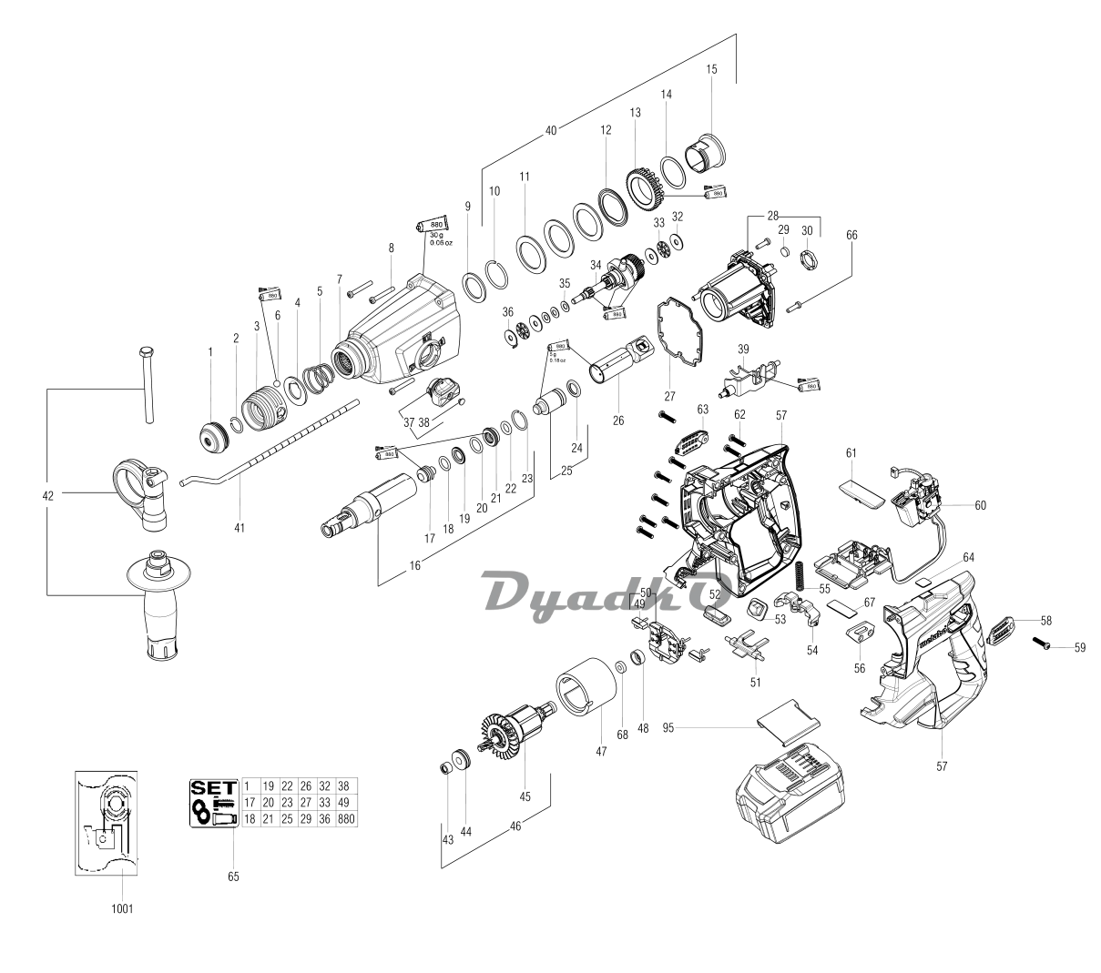
Схема METABO KHA 18 LTX (00210000)
1
Rubber cap
2
Circlip
3
Adjusting ring
4
Washer
5
Pressure spring
6
Ball
7
Gear housing compl.
8
Screw
9
Supporting disc
10
Circlip
11
Cup spring
12
Friction washer
13
Spur gear
14
friction slice
15
coupling sleeve
16
Drill driving sleeve compl.
17
Piston
18
O-ring,11.9X2.62
19
Damping ring
20
O-ring
21
Catching sleeve
22
O-ring
23
Circlip
24
Sealing ring
25
Striker compl.
26
exciter sleeve compl.
27
sealing ring
28
Gear flange compl.
29
Felt seal
30
Rubber buffer
32
Thrust washer
33
Axial needle bearing
34
Intermediate gear compl.
35
Cup spring
36
Washer
37
Control knob compl.
38
Seal
39
Shift element compl.
40
safety clutch cpl.
41
Depth stop
42
Side support handle compl.
43
Sealing washer
44
Ball bearing, 8X 22X 7
45
Armature
46
Armature compl.
47
Field coil compl.,2 pol.
48
Rubber bushing
49
Part not needed
50
Brush holder compl.,18 V
51
Switch slide
52
Press button
53
LED lense
54
Pressure plate
55
Pressure spring
56
hook
57
Motor housing
58
Cover left
59
Screw,ST2,9x13
60
Electronic switch
61
Switch slide,R+L
62
Self-tap fill h screw
63
Cover right
64
Indication label,Ultra M
65
Maintenance kit
66
Self-tap fill h screw
67
Rating plate
68
Ball bearing
95
Cover cap
880
Grease FG 126
1001
Wiring diagram,