+7 (499) 702-01-13
+7 (499) 702-03-59
Пн-Пт с 9:00 до 18:00
Поиск бренда
Поиск модели
Каталог схем
MAKITA
Инструменты
Электроинструмент
Пилы монтажные (отрезные)
LW1400
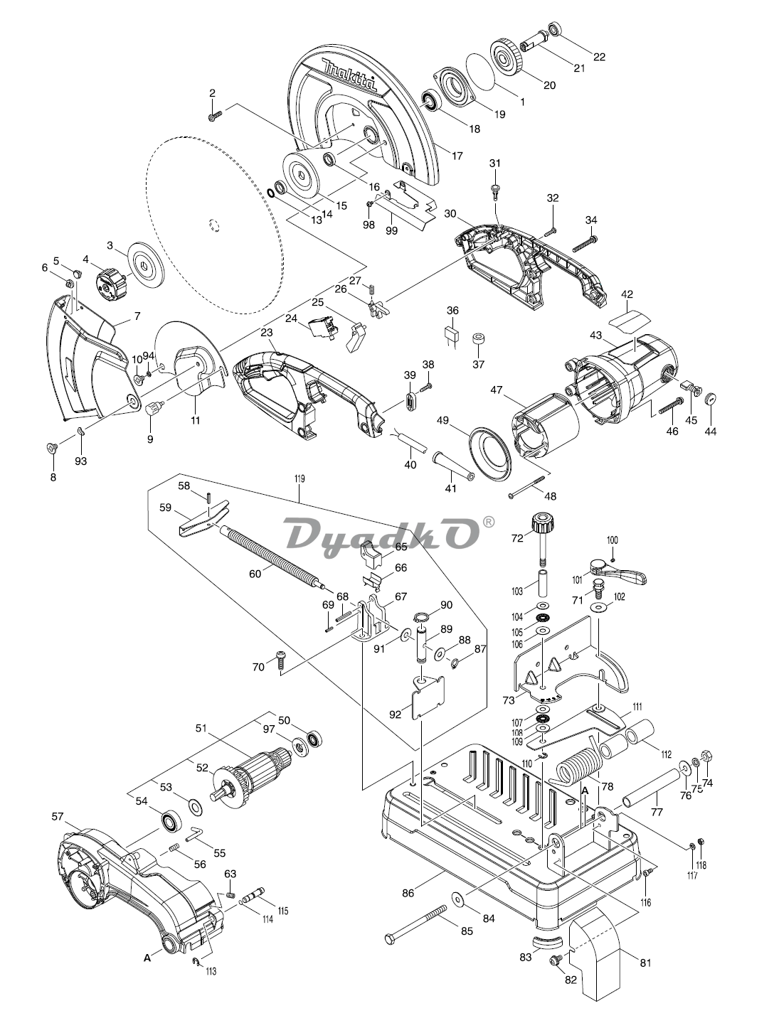
Схема MAKITA LW1400
1
O-RING 65
2
PAN HEAD SCREW M5X20
3
FLANGE 90
4
TOOLLESSBOLT ASSEMBLY
5
PLUG
6
PLUG
7
SAFETY GUIDE
8
FLAT HEAD SCREW M6
9
THUMB SCREW M6X12
10
FLAT HEAD SCREW M6
11
CENTER COVER
011-1
CENTER COVER
13
O RING 14
14
RING 17
15
FLANGE 90
16
RING 17
17
SAFETY COVER
18
BALL BEARING 6203ZZ
19
BEARING BOX
20
HELICAL GEAR 50
21
SPINDLE
22
BALL BEARING 6000ZZ
23
HANDLE SET
24
SWITCH TGC31B
25
SWITCH LEVER
26
SWITCH LOCK
27
COMPRESSION SPRING 4
30
HANDLE SET
031-1
SWITCH BUTTON
31
SWITCH BUTTON
32
TAPPING SCREW 4X18
34
PAN HEAD SCREW M5X40
36
NOISE SUPPRESSOR
37
LINE FILTER
38
TAPPING SCREW 4X18
39
STRAIN RELIEF
40
POWER SUPPLY CORD 1.0-2-3.0
41
CORD GUARD 9.3-90
42
LW1400 NAME PLATE
43
MOTOR HOUSING COMPLETE
44
BRUSH HOLDER CAP 7-18
45
CARBON BRUSH CB-203
46
PAN HEAD SCREW M5X40
47
FIELD ASST 220V
48
TAPPING SCREW 5X85
49
BAFFLE PLATE
50
BALL BEARING 6200ZZ
51
ARMATURE ASST 220-240V
52
FAN 80
53
WASHER 15
54
BALL BEARING 6200ZZ
55
STOPPER
56
COMPRESSION SPRING 7
057-1
GEAR HOUSING COMPLETE S
57
GEAR HOUSING COMPLETE
58
SPRING PIN 5-20
59
HANDLE 120
60
VISE SCREW
63
H.S.SET SC RE W( FLAT POINT)M6X16
65
VISE NUT
66
PLATE
67
SCREW GUIDE
68
SPRING PIN 5-36
69
SPRING PIN 4-16
70
PAN HEAD SCREW M8X30
71
COLLAR BOLT M10X20
72
KNOB 40
73
GUIDE PLATE
74
HEX. NUTM10
074-1
HEX.NUT M10-17
75
SPRING WASHER 10
76
FLAT WASHER 10
77
PIPE 20-128
78
TORSION SPRING 33
81
SPARK GUARD
82
PAN HEAD SCREW M6X12
83
CUSHION
84
FLAT WASHER 10
85
HEX.BOLT M10X140
86
BASE
87
RETAINING RING S-8
88
FLAT WASHER 8
89
PIN 16
90
RETAINING RING S-16
91
FLAT WASHER 8
92
VISE PLATE
93
WAVE WASHER 6
94
FLAT WASHER 6
97
INSULATION WASHER
98
PAN HEAD SCREW M4X6
99
SPARK COVER
100
H.S.SET SC RE W( FLAT POINT)M5X6
101
LEVER 125
102
FLAT WASHER 10
103
SLEEVE 11
104
FLAT WASHER 10
105
THRUST NEEDLE CAGE 1024
106
THIN WASHER 10
107
THIN WASHER 10
108
THRUST NEEDLE CAGE 1024
109
THIN WASHER 10
110
STOP RING E-8
111
GUIDE BASE
112
SLEEVE 20
113
STOP RING E-8
114
0 RING 7
115
STOPPER PIN
116-1
HEX. SOCKET HEAD BOLT M6X12 S
116
HEX. SOCKET HEAD BOLT M6X12
117
SPRING WASHER 6
118
HEX. NUT M6
119
VISE ASST
A01
14\" CUT-OFF WHEEL
C10
RUBBER PIN 6
D10
INC. 30
D10
INC. 50,52-54,97
C10
RUBBER PIN 6
D10
INC. 58-60,65-69,87-92
C10
RING TERMINAL
C20
CONNECTOR P-2
C10
BRUSH HOLDER
D10
INC. 23