+7 (499) 702-01-13
+7 (499) 702-03-59
Пн-Пт с 9:00 до 18:00
Поиск бренда
Поиск модели
Каталог схем
BOSCH
Инструменты
Шлифовальное оборудование
Углошлифовальные машины сетевые
GWS 17-125 CIE
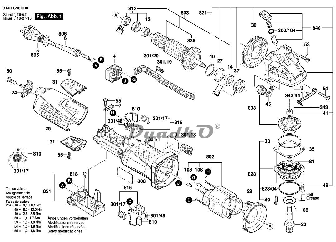
Схема BOSCH GWS 17-125 CIE GWS 17-125 CIE (3601G960R0)
4
ВЫКЛЮЧАТЕЛЬ
7
Фиксатор кабеля
9
Этикетка фирмы GWS 15-125 CIE
13
Шарикоподшипники 7x19x6
14
Шарикоподшипники 8x22x7
24
КРЫШКА
25
КРЫШКА КОРПУСА
27
кольцо резиновое
29
Кольцо воздуховод
30
Сепаратор воздуха
31
ЩЕТОЧНАЯ КРЫШКА
32
Шпиндель M14, SW17
33
КОЛЬЦО УПЛОТНИТЕЛЬНОЕ 46,0x1,1 MM
35
Регулировочное кольцо 0,1 MM ТОЛСТЫЙ
35
Регулировочное кольцо 0,2 MM ТОЛСТЫЙ
35
Регулировочное кольцо 0,3 MM ТОЛСТЫЙ
35
Регулировочное кольцо 0,15 MM ТОЛСТЫЙ
37
Кольцо уплотнительное
40
СТОПОРНОЕ КОЛЬЦО
41
ПОДШИПНИК СКОЛЬЖЕНИЯ
45
ШЕСТИГРАННАЯ ГАЙКА M7, SW10
49
Винт M4x16
50
ВИНТ С ГОЛОВКОЙ TORX 4x20
53
ВИНТ С ГОЛОВКОЙ TORX
54
ВИНТ С ГОЛОВКОЙ TORX 4x30
55
ВИНТ С ГОЛОВКОЙ TORX 4x12
80
УПЛОТНИТЕЛЬНАЯ ШАЙБА
81
Регулировочное кольцо
108
ИЗОЛЯТОР
301/1
КОРПУС МОТОРА
301/17
СПИРАЛЬНАЯ ПРУЖИНА
301/18
РУКОЯТКА ВЫКЛЮЧАТЕЛЯ
301/19
Пружина сжатия
301/20
Толкатель
301/48
ВИНТ СО СФЕРИЧЕСКОЙ ГОЛОВ 3x10 ST
302/104
КОЛЬЦО УПЛОТНИТЕЛЬНОЕ 4,5x1,0 MM СИНИЙ
343
ФИКСАТОРНЫЙ РЫЧАГ
343/44
Пружина сжатия
650/1
ДОПОЛНИТЕЛЬНАЯ РУКОЯТКА M10 АНТИВИБРНАЦИЯ
650/2
КРУГЛАЯ ГАЙКА M14
650/3
Ключ
650/5
Посадочный фланец Ø22,3xØ42 MM
650/5/2
КОЛЬЦО УПЛОТНИТЕЛЬНОЕ 20,35x1,78 MM
651
ЗАЩИТНЫЙ КОЖУХ Ø125 MM
802
Подсбор cтaтора 220-230V
803
Ротор с вентилятором 230V
805
СЕТЕВОЙ КАБЕЛЬ EU 4,15m 2 x 1,0mm H07 RN-F
806
НАКОНЕЧНИК
808
Этикетка типа
810
КОМПЛЕКТ УГОЛЬНЫХ ЩЕТОК
813
Шарикоподшипники
816
Щёточный держатель
818
Винт
821
КОРПУС РЕДУКТОРА
828
ОПОРНЫЙ ФЛАНЕЦ
828/04
КОЛЬЦО УПЛОТНИТЕЛЬНОЕ 47,0x1,5 MM
835
ВЕНТИЛЯТОР
838
РЕДУКТОРНЫЙ УЗЕЛ
840
Кнопка стопора
851
РЕГУЛЯТОР ЧИСЛА ОБОРОТОВ
891
ДОПОЛНИТЕЛЬНАЯ РУКОЯТКА M10, Ø32,5x105 MM
896
Быстрозажимная гайка M14, SDS-CLIC