+7 (499) 702-01-13
+7 (499) 702-03-59
Пн-Пт с 9:00 до 18:00
Поиск бренда
Поиск модели
Каталог схем
BOSCH
Инструменты
Электроинструмент
Лобзики
PST 53 A (0603229203)
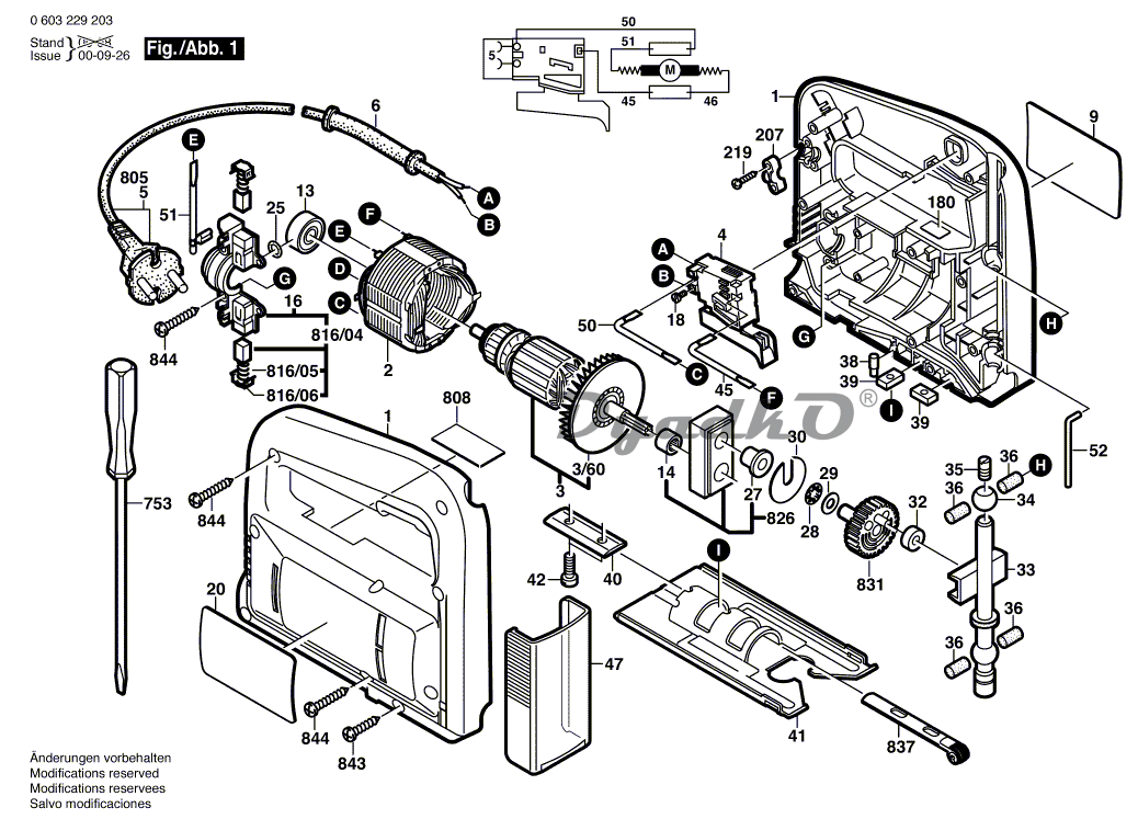
Схема BOSCH PST 53 A (0603229203)
1
Корпус ЗЕЛЕНЫЙ
2
статор 230-240V
3
Ротор 230V
3/60
ВЕНТИЛЯТОР
4
ВЫКЛЮЧАТЕЛЬ
6
НАКОНЕЧНИК Ø7 MM
9
Этикетка фирмы
13
Шарикоподшипники 8x19x6
14
ИГОЛЬЧАТЫЙ ПОДШИПНИК Ø8x8 MM
16
Щеточная пластина
18
Винт с цилиндр.головкой M3x6,5-4.8
20
Этикетка с указаниями ТЕНЕВАЯ СТОРОНА
25
КОЛЬЦО УПЛОТНИТЕЛЬНОЕ 5,0x1,5 MM
27
ВТУЛКА ПОДШИПНИКА
28
ПРУЖИННАЯ ШАЙБА
29
Регулировочное кольцо 0,5 MM
30
Регулировочное кольцо 0,6 MM
32
НАПРАВЛЯЮЩИЙ РОЛИК
33
Ходовая штанга
34
Втулка скольжения
35
ЗАЖИМНОЙ ВИНТ
36
ФЕТРОВАЯ СМАЗОЧНАЯ ПОДУШК
38
Фиксирующий штифт
39
ПЛИТА КРЕПЕЖНАЯ
40
Планка профильная
41
ОПОРНАЯ ПЛИТА
42
Винт с цилиндр.головкой DIN 84-AM4x14-5.8
45
СОЕДИНИТЕЛЬНЫЙ КАБЕЛЬ L=213 MM СИНИЙ
47
ЗАКРЫВАЮЩИЙ КОЖУХ
50
СОЕДИНИТЕЛЬНЫЙ КАБЕЛЬ L=263MM СИНИЙ
51
СОЕДИНИТЕЛЬНЫЙ КАБЕЛЬ L=73 MM БЕЛЫЙ
52
ШТИФТ
207
Фиксатор кабеля
805
СЕТЕВОЙ КАБЕЛЬ EU 2,65m 2 x 1,0mm H05 RN-F
808
Этикетка типа 26x52 MM
816/06
Фиксатор
816/04
КОМПЛЕКТ УГОЛЬНЫХ ЩЕТОК
816/05
Пружина сжатия
826
Подшипниковый мост
831
ЭКСЦЕНТРИКОВАЯ ШЕСТЕРНЯ Z=49
837
КРЕПЕЖНАЯ СКОБА
843
ВИНТ САМОНАРЕЗАЮЩИЙ DIN 7981-ST3,9x13-C-H
844
ВИНТ САМОНАРЕЗАЮЩИЙ DIN 7981-ST3,9x19-C-H
Фиксатор
Регулировочное кольцо 0,2 MM