+7 (499) 702-01-13
+7 (499) 702-03-59
Пн-Пт с 9:00 до 18:00
Поиск бренда
Поиск модели
Каталог схем
BOSCH
Инструменты
Электроинструмент
Лобзики
PST 650 L (3603C92200)
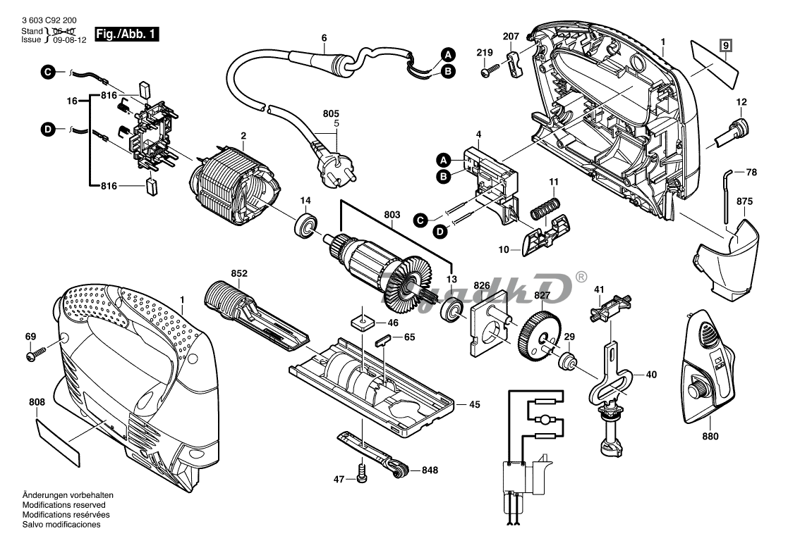
Схема BOSCH PST 650 L (3603C92200)
1
Корпус
2
статор 220-240V
4
ВЫКЛЮЧАТЕЛЬ
6
НАКОНЕЧНИК
9
Этикетка фирмы PST 650 L
10
СТОПОРНЫЙ РЫЧАГ
11
Пружина сжатия
12
Клапан с поворотной ручкой КРАСНЫЙ
13
Шарикоподшипники 8x22x7 608-2Z/C3
14
Шарикоподшипники 8x22x7 608-2Z/C3
16
Щеточная пластина
29
ПОДШИПНИК СКОЛЬЖЕНИЯ
40
Ходовая штанга
41
НАПРАВЛЯЮЩИЙ ПОДШИПНИК
45
ОПОРНАЯ ПЛИТА
46
ПЛИТА КРЕПЕЖНАЯ
47
Винт с цилиндр.головкой
65
ПЕРЕДВИЖНОЕ ЗВЕНО
69
ВИНТ С ГОЛОВКОЙ TORX 4x16
78
ПРЕДОХРАНИТЕЛЬНЫЙ ШТИФТ
207
Фиксатор кабеля
219
ВИНТ С ГОЛОВКОЙ TORX 4x16
803
Ротор 220-240V
805
СЕТЕВОЙ КАБЕЛЬ EU 230V 4,15m 2 x 1,0mm H05 RN-F
808
Этикетка типа
816
КОМПЛЕКТ УГОЛЬНЫХ ЩЕТОК
826
Подшипниковый мост
827
ЭКСЦЕНТРИКОВАЯ ШЕСТЕРНЯ
848
КРЕПЕЖНАЯ СКОБА
852
ДЕПО ДЛЯ ПИЛЬНЫХ ПОЛОТЕН
875
ЗАКРЫВАЮЩИЙ КОЖУХ
880
ЛАЗЕР