+7 (499) 702-01-13
+7 (499) 702-03-59
Пн-Пт с 9:00 до 18:00
Поиск бренда
Поиск модели
Каталог схем
ИНТЕРСКОЛ
Инструменты
Электроинструмент
Перфораторы
П-30/900ЭР-2
Схема ИНТЕРСКОЛ П-30/900ЭР-2 П-30/900ЭР-2 (стар.)
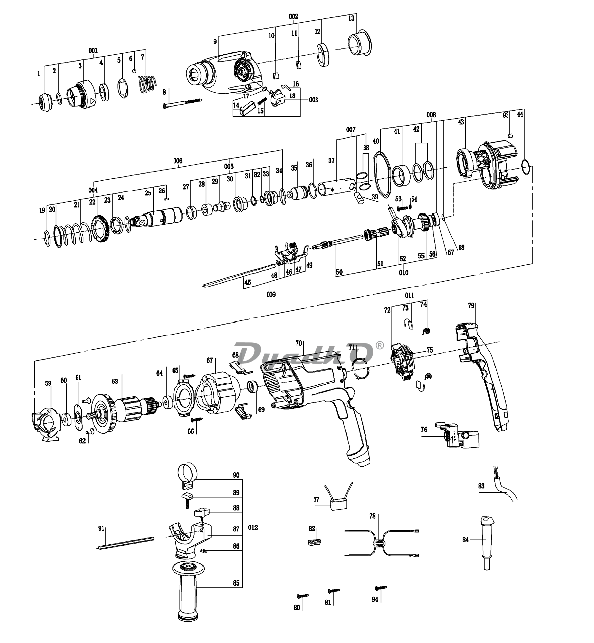
1
Колпачок защитный 10609.714351.001
001
Муфта в сборе Поз. 1…7
2
Кольцо пружинное 10609.753612.012 Ø19х2
002
Корпус редуктора в сборе 10612.301156.012 Поз. 9…13
3
Втулка нажимная 10631.714457.012
003
Переключатель режимов в сборе 10612.303655.012 Поз. 14…18
4
Шайба 10609.758491.012 21х32х4
004
Ствол в сборе Поз. 19…26
5
Шайба специальная 10609.758481.012
005
Механизм ударный Поз. 27…34
6
Шарик 1002-000793 Ø7,14
006
Ствол с ударным механизмом в сборе 10612.304149.009 Поз. 19…34
7
Пружина 10609.753522.012
007
Поршень в сборе 10612.304149.010 Поз. 37…38
8
Винт 1002-800795 4.8×35
008
Промщит в сборе 10612.304115.003 Поз. 40…44, 57, 58, 93
009
Механизм переключения в сборе 10612.304139.001 Поз. 45…49
9
Корпус редуктора
10
Подшипник роликовый HK0608 (6х10х8)
010
Подшипник качающийся в сборе 10612.304149.011 Поз. 50…56
11
Подшипник шариковый 628 (8х24х8)
011
Узел щеточный в сборе 10631.304129.011 Поз. 72…75
12
Манжета Ø24.3×35×7
012
Ручка боковая в сборе 10631.301551.012 Поз. 85…91
13
Подшипник игольчатый специальный
14
Кнопка
15
Пружина
16
Поводок переключатель
17
Кольцо резиновое Ø11х2.5
18
Ручка переключателя
19
Кольцо пружинное Ø31х2,6
20
Шайба Ø31х43х2
21
Пружина
22
Колесо зубчатое Z=50
23
Втулка кулачковая
24
Кольцо запорное Ø29×1.5
25
Ствол
26
Ролик Ø2,5х11,8
27
Манжета Ø8,2х16х5
28
Втулка
29
Проммасса
30
Корпус ловителя бойка
31
Амортизатор Ø18x3,5
32
Ловитель бойка Ø10,7x3,7
33
Крышка ловителя бойка
34
Кольцо стопорное Ø25х2,0
35
Боёк Ø23
36
Кольцо уплотнительное
37
Поршень
38
Кольцо ограничительное
39
Палец
40
Кольцо уплотнительное
41
Подшипник скольжения
42
Шайба
43
Промщит
44
Кольцо уплотнительное
45
Ось
46
Скоба переключателя
47
Пружина
48
Скоба направляющая 2
49
Скоба направляющая 1
50
Вал шлицевой
51
Блок сцепления в сборе
52
Подшипник качающийся
53
Винт 1002-800804 М4х10
54
Шайба пружинная 1002-000713 Ø4
55
Колесо зубчатое
56
Подшипник шариковый 1002-000004 607 (7х19х6)
57
Подшипник шариковый 627 (7х22х7)
58
Шайба Ø10х1
59
Дефлектор воздушный
60
Подшипник шариковый 609-2RS (9х24х7) спец.
61
Крышка подшипника
62
Винт М4х10
63
Якорь с вентилятором 10612.684244.012 Ø35x47
64
Подшипник шариковый 1002-000004 607 (7х19х6)
65
Диафрагма 10612.712447.012
66
Винт 1002-000161 3,9х16
67
Статор 10612.684214.012 Ø61x47
68
Колодка клеммная 10631.685511.001
69
Втулка демпфирующая 10609.754176.001
70
Корпус двигателя I0612.731321.012
71
Полукольцо-контактор 10631.745573.012
72
Щеткодержатель
73
Щетка электрическая
74
Пружина спиральная
75
Пружина фиксатор
76
Выключатель 1002-000411 KEDU 071103 EN61058 8(6)A 250V ~5E4
77
Конденсатор 1002-000797 TNS-2 0,33mF KX2 40/085/21/C250V
78
Дроссель 10609.434613.015
79
Ручка-накладка 10612.732184.012
80
Винт 1002-800796 4х35
81
Винт 1002-800799 4.2x18
82
Планка фиксации кабеля 10609.741575.002
83
Шнур питания с вилкой 1002-000759 HO7RN-F 2х1мм² L=4м
84
Трубка защитная шнура 10609.723171.002
85
Ручка
86
Прижим
87
Держатель
88
Винт барашковый М6
89
Винт специальный М8
90
Хомут
91
Ограничитель глубины бурения
93
Сальник Ø7
94
Винт 4х16
Позиции в сборе:
Ручка переключателя в сборе Поз.16+18