+7 (499) 702-01-13
+7 (499) 702-03-59
Пн-Пт с 9:00 до 18:00
Поиск бренда
Поиск модели
Каталог схем
ИНТЕРСКОЛ
Инструменты
Шлифовальное оборудование
Углошлифовальные машины сетевые
УШМ-150/1300
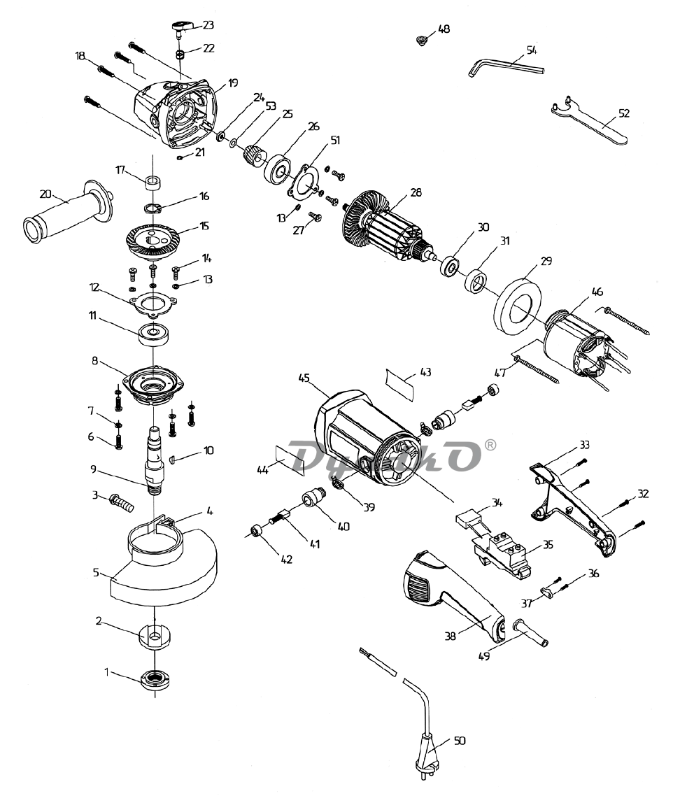
Схема ИНТЕРСКОЛ УШМ-150/1300 УШМ-150/1300 (58.хххххх)
1
Гайка крепления шлифкруга
2
Фланец опорный шлифкруга
3
Винт М6х20
4
Гайка М6
5
Кожух защитный Ø150
6
Винт М5х15
7
Шайба гроверная В14
8
Крышка редуктора
9
Шпиндель
10
Шпонка сегментная 13X4
11
Подшипник шариковый 6002.2Z
12
Шайба фиксирующая подшипника ∅28х41х2
13
Шайба гроверная ∅4
14
Винт М4х10
15
Колесо зубчатое коническое Z=42 (возможна замена 35.03.01.05.00)
16
Кольцо стопорное В14
17
Подшипник роликовый НК101410
18
Винт 5х30
19
Корпус редуктора
20
Ручка боковая
21
Кольцо пружинное Ø6.3*1.2
22
Пружина фиксатора
23
Фиксатор шпинделя в сборе
24
Гайка 6-гранная М8
24*
Гайка самоконтрящаяся M8х1.25
25
Шестерня коническая с пазом Z=13 (возможна замена 35.03.02.05.00)
25*
Шестерня коническая без паза Z=13
26
Подшипник шариковый 6201.2Z
27
Винт М4х12
28
Якорь с вентилятором с лысками
28*
Якорь с вентилятором без лысок
29
Диафрагма
30
Подшипник шариковый 608.2Z
31
Втулка резиновая
32
Винт 4х16
33
Ручка накладка
34
Конденсатор 0,33 мкФ MEX GPF 40/85/21
35
Выключатель в сборе KEDU HY44BC 250V 20(12)A 5E4
36
Винт 4х12
37
Планка фиксации шнура
38
Ручка
39
Спираль контактная
40
Щёткодержатель
41
Щётка
42
Колпачок щёткодержателя
45
Корпус двигателя
46
Статор
47
Винт 4х68
48
Заглушка
49
Трубка защитная
50
Шнур питания с вилкой H05VV-F / 2 х 1,0мм2
51
Шайба фиксирующая подшипника ∅19,5х41х2
52
Ключ специальный
53
Шайба гроверная ∅8
54
Ключ торцевой 6-гранный S=5мм
* - Введено 10.2014г. Поз. 53 – исключить. Детали применять совместно.