+7 (499) 702-01-13
+7 (499) 702-03-59
Пн-Пт с 9:00 до 18:00
Поиск бренда
Поиск модели
Каталог схем
HUTER
Инструменты
Мойки высокого давления
Минимойки (Бытовые мойки)
W105-P, W105-QC, W105-G, W105-QD, M135-PW, M165-PW
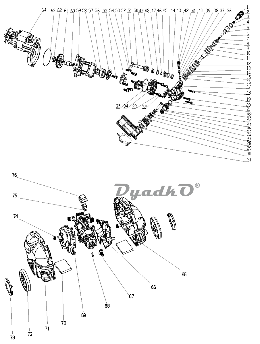
Схема HUTER W105-P, W105-QC, W105-G, W105-QD, M135-PW, M165-PW
1
Выходной штуцер для W105-QC
2
ПРУЖИНА 0.6×10.5×4.5×12
3
Уплотнительное кольцо (круглого сеч.) O22×2.4
4_9
ОБРАТНЫЙ КЛАПАН В СБОРЕ
10
Уплотнительное кольцо (круглого сеч.) O16×2.4
11
Шток
11
Шток для M165-PW
12
Пружина ШТОКА
13
Втулка штока для W-105 и M-135
13
Втулка штока для M-165PW
14
Уплотнительное кольцо (круглого сеч.) O5.6×1.8
15
Уплотнительное кольцо (круглого сеч.) O12×1.8
16
Седло клапана
17
Крышка насоса для W105, M135-PW
18
Винт M6×25 (под шестигранный ключ)
19
Пружинная шайба (гровер) φ6
20
Винт M6×35 (под шестигранный ключ)
21
Уплотнительное кольцо (круглого сеч.) O18×2.4
22
Входной штуцер
23
фильтр
24
ТОЛКАТЕЛЬ микро выключателя
24-31
Микровыключатель в сборе для W105, M135-PW
25
Пружина микровыключателя
26
УПОРНАЯ ШАЙБА микровыключателя
27
Уплотнительная манжета (V-подобного сеч.)
28
Уплотнительное кольцо (круглого сеч.) O22×1.9
29
Соеденительная муфта микровыключателя
30
Корпус микровыключателя
31
Микровыключатель
32
Винт M6×25/ M6×35 (под шестигранный ключ)
33
Пружинная шайба (гровер) φ6
34
Основание насоса для W105 и M135-PW
35
Уплотнительное кольцо (круглого сеч.) O58×2.65
36
Уплотнительное кольцо (круглого сеч.) O10×1.5
37-40
Малый клапан в сборе для W105 и M-135 PW
41
Уплотнительное кольцо (круглого сеч.) O12×1.9
42
Заглушка малого клапана для M105 и М 135
43
Сальник (П) 12×20×5
44
Уплотнительное кольцо (круглого сеч.) O24×1.9
45
Плунжерная втулка
46
Уплотнительное кольцо (круглого сеч.) O16×1.9
47
Уплотнительное кольцо (круглого сеч.)
48
САЛЬНИК (Y) 12×20×4
49
Пружина плунжера
50
плунжер
51
Плунжерный фиксатор
52
Винт M8×25 (под шестигранный ключ)
53
Пружинная шайба (гровер) φ8
54
Упорный шариковый подшипник 51107B В СБОРЕ
55
Винт M8×20 (под шестигранный ключ)
56
Упорная шайба подшипника W105 и M135-PW
57
Подшипник 6302
58
Уплотнительная манжета
59
Корпус насоса W 105
60
Вал редуктора для W105
61
шестерня
62
Подшипник 629
63
Уплотнительное кольцо (круглого сеч.) O88×1.9
64
Электродвигатель в сборе W105
65
ПАНЕЛЬ КОРПУСА ПРАВАЯ
66
ПАНЕЛЬ ЭЛЕКТРОДВИГАТЕЛЯ ПРАВАЯ
67
КАБЕЛЬНЫЙ ВВОД
68
КАБЕЛЬНЫЙ ЗАЖИМ
69
ПАНЕЛЬ ЭЛЕКТРОДВИГАТЕЛЯ ЛЕВАЯ
70
ФИЛЬТР ВОЗДУШНЫЙ
71
ПАНЕЛЬ КОРПУСА ЛЕВАЯ
72
Колесо для W-105
73
Колпак колеса для W-105
74
КАБЕЛЬНЫЙ ВВОД
75
ВЫКЛЮЧАТЕЛЬ
76
ЗАЩИТНЫЙ КОЖУХ ВЫКЛЮЧАТЕЛЯ
Корпус насоса для M 165-PW
Упорная шайба подшипника для M165-PW
Вал редуктора для M135-PW и M165-PW
Упорный подшипник для M165-PW
Выходной штуцер для W105-QD, M135-PW, M165-PW
Выходной штуцер для W105-P
Уплотнительное кольцо двигателя для M135-PW,M165-PW
Заглушка малого клапана для M165-PW
Электродвигатель в сборе M135-PW
Электродвигатель в сборе M165-PW
Угольная щетка для электродвигателя W-105
Угольная щетка для электродвигателя М-135PW
Угольная щетка для электродвигателя М-165PW
Входной штуцер для W105-G, W105-QD, M135-PW, M165-PW
Уплотнительное кольцо заглушки малого клапана для M165-PW
Входной штуцер для W105-P
Малый клапан в сборе для M165-PW
Входной штуцер для W105-QC
Уплотнительное кольцо малого клапана для M165-PW
Уплотнительное кольцо входного штуцера 18х2,4
Уплотнительное кольцо насоса для M165-PW
Колесо для M135-PW, M165 PW
Крышка насоса для M165-PW
Колпак колеса для M135-PW, M165 PW
Основание насоса для M165-PW
Микровыключатель в сборе для M165-PW
Кабель с вилкой
Конденсатор 0,22 мкФ
Переходник выходного штуцера для M135-PW
Форсунки (комплект 2 шт.) для M135-PW,M165-PW
Цветная коробка для HUTER W165-PW
Якорь HUTER M165-PW дл.165, 28*48мм без крыльчатки
Корпус насоса для M 135-PW
Мойки серии AR отличаются только корпусом.