+7 (499) 702-01-13
+7 (499) 702-03-59
Пн-Пт с 9:00 до 18:00
Поиск бренда
Поиск модели
Каталог схем
HUSQVARNA
Инструменты
Садовая техника
Тракторы садовые и райдеры
LT151 (96041001805) 2010
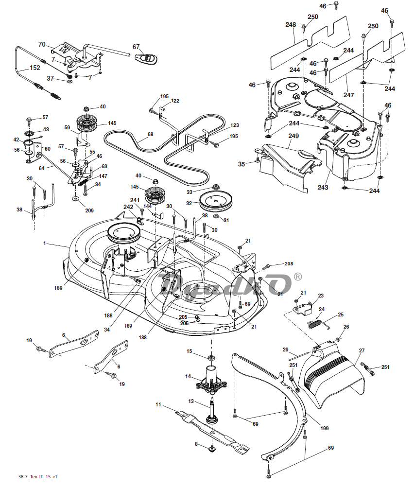
Схема HUSQVARNA LT151 (96041001805) 2010 Косильная дека
1
Mower Housing
6
Arm Suspension
7
Screw #10 x 0.750 BOS Thread
8
Bolt/Washer Asm. 7/16-20 unf
11
Blade 38\" 3NI Premium
13
Shaft Assembly, Mandrel
14
Housing, Mandrel
15
Bearing, Ball, Mandrel
19
Bolt, Shoulder
21
Nut, Crownlock 5/16-18 unc
23
Bracket, Deflector
24
Cap, Sleeve
25
Spring, Torsion, Deflector
26
Nut, Push
27
Shield, Deflector
29
Rod, Hinge
30
Screw Thdrol. Rolling Wsh. Hd.
31
Washer, Spacer
32
Pulley, Mandrel
33
Nut, Toplock, Flanged
34
Bolt Carr. Sh. 3/8-16 x 1-1/2 Gr. 5
35
Fastener, Christmas Tree
37
Washer
38
Keeper Belt LH Mandrel
40
Nut, Lock Fig. 3/8-16 unc
42
Spring Torsion Retainer
43
Spring Torsion Brake
46
Screw 1/4 - 20 x 5/8
55
Arm, Idler
56
Spacer, Retainer
57
Screw 3/8-16 x 1
59
Guard, Tuv. Idler
60
Arm Brake Mower
63
Arm Brake Mower
64
Link Brake
67
Handle Clutch Cable
68
V-Belt
69
Bolt
70
Clutch Asm. Manual
122
Keeper Belt Engine LH
123
Keeper Belt Engine RH
144
Keeper Belt
145
Pulley Idler
147
Spring Return
152
Manual Clutch Cable
188
Stud Fastener
189
Nut Lock Hex Flange
195
Screw 3/8-16x3/4
199
Baffle Vortex
205
Screw 1/4-20x 1.00 77
206
Washer 9/32 x 7/8 x 16 Ga.
208
Screw 3/8 -16x1/2
209
Washer 13/32 x 2 x 10
241
Screw TT # 10-32.5 3/8 Flange
242
Port Washout
243
Cover Deck 38-7
244
Palnut 1/4\"
247
Shield Deck RH
248
Shield Deck LH
249
Cover Cable Clutch
250
Rivet Tulflok 25 x 24
251
Kit Bungee (Includes Phillips head screw, weld nut, screw, bungee latch, and bungee strap)
_
Mandrel Assembly (Includes housing, shaft assembly, and bearing only - pulley/nut/washer and blade bolt/washers not included)
_
Replacement Mower, Complete