+7 (499) 702-01-13
+7 (499) 702-03-59
Пн-Пт с 9:00 до 18:00
Поиск бренда
Поиск модели
Каталог схем
MAKITA
Инструменты
Электроинструмент
Пилы циркулярные (дисковые)
5103 R
Схема MAKITA 5103 R 5103R
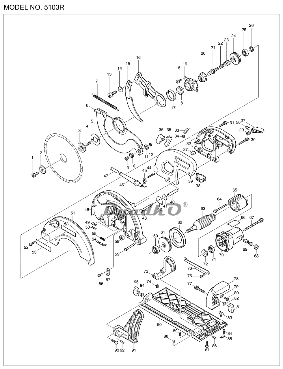
1
HEX. SOCKET HEAD BOLT M10X25
2
OUTER FLANGE 45
3
INNER FLANGE 45
4
COUNTERSUNK HEAD SCREW M5X16
5
BEARING RETAINER 34-62
6
SAFETY COVER (new)
6
SAFETY COVER (old)
7
TENSION SPRING 6 (new)
7
TENSION SPRING 6 (old)
8
BALL BEARING 6203DDW
9
ROLLER PIN 6
10
ROLLER 20
11
ROLLER 20
12
ROLLER PIN 6
13
HEX. SOCKET HEAD BOLT M8X16
14
FLAT WASHER 8 (new)
14
FLAT WASHER 8 (old)
15
RIVING KNIFE (new)
15
RIVING KNIFE (old)
16
RIVING KNIFE HOLDER (new)
16
RIVING KNIFE HOLDER (old)
17
THICKNESS RING
18
PAN HEAD SCREW M5X16
19
BEARING BOX
20
LOCK SLEEVE
21
SPINDLE
22
LOCK SPRING 27
23
LOCK SPRING 20
24
HELICAL GEAR 39
25
BALL BEARING 6001
26
RETAINING RING S-12
27
LEVER 54
28
RING SPRING 12
29
HEX. NUT M8
30
PAN HEAD SCREW M5X40
31
TAPPING SCREW 5X25
32
HANDLE SET INC. 39
33
LOCK-OFF BUTTON
34
COMPRESSION SPRING 4
35
SWITCH LEVER
36
SWITCH TG70B
37
NOISE SUPPRESSOR
37
NOISE SUPPRESSOR
38
CONTROLLER 200/220/240V
39
HANDLE SET INC. 32
40
PIPE 9
41
FLAT WASHER 8 (new)
41
FLAT WASHER 8 (old)
42
LEAF SPRING
43
CAP SQUARE NECK BOLT M8X98
44
TAPPING SCREW 4X18
45
STRAIN RELIEF (new)
45
CORD CLAMP (old)
46
CORD GUARD 9.3-90 (new)
46
CORD GUARD 8-90 (old)
47
POWER SUPPLY CORD 1.0-2-2.5 (new)
47
POWER SUPPLY CORD 1.5-2-2.5 (old)
48
BLADE CASE COMPLETE (new)
48
BLADE CASE COMPLETE (old)
49
FELT
50
PLATE
51
BLADE CASE COVER
52
TAPPING SCREW BIND CT 5X20
53
MAKITA LABEL
54
SHAFT LOCK
55
COMPRESSION SPRING 6 (new)
55
COMPRESSION SPRING 5 (old1)
55
COMPRESSION SPRING 6 (old2)
56
TAPPING SCREW CT 4X16
57
STRAIN RELIEF
58
RUBBER RING 8
59
PIN 10
60
BALL BEARING 6002DDW
61
FAN 74
62
BAFFLE PLATE
63
ARMATURE ASS\'Y 220/240V INC. 71,72
64
PAN HEAD SCREW M5X80
65
FIELD ASS\'Y 220-240V (new)
65
FIELD 220/240V (old)
66
NAME PLATE 5103R
67
PAN HEAD SCREW M5X65
68
BRUSH HOLDER CAP 7-18
69
CARBON BRUSH CB-203
70
MOTOR HOUSING 200-240V (new)
70
MOTOR HOUSING 200-240V (old)
71
BALL BEARING 629LLB (new)
71
BALL BEARING 629LLB (old)
72
INSULATION WASHER
73
ANGULAR PLATE
74
H.S.SET SCREW(FLAT POINT) M6X6
75
+ PAN HEAD SCREW M4X11
76
LINK COMPLETE
77
HEX. BOLT M8X55
78
ANGULAR PLATE GUIDE
79
POINTER
80
TAPPING SCREW 4X12
81
WING NUT
82
FLAT WASHER 8
83
SCREW M6X14
84
PAN HEAD SCREW M4X8
85
TOP GUIDE
86
PIN 6
87
TAPPING SCREW 5X20
88
H.S.SET SCREW(FLAT POINT) M6X6
89
H.S.SET SCREW(CUP POINT)M4X5
90
BASE (new)
90
BASE (old)
91
DEPTH GUIDE
92
SPRING PIN 6-20
93
HEX. BOLT M6X25
94
FLAT WASHER 6
95
WING NUT M6
A01
TCT SAW BLADE 270X18TX30 (new)
A01
T.C.T. SAW BLADE 270X18TX30 (old)
A02
GUIDE RULE
A03
HEX. WRENCH 6
E02
INSULATED RECEPTACLE DF1.25
E03
CONNECTOR 2-SD
E04
INSULATED CONNECTOR 5.5-SD
E05
INSULATED RECEPTACLE DF2-187A
E06
JOINT
E07
TAPPING SCREW BIND CT 4X12
E08
SWITCH V-15-2A5