|
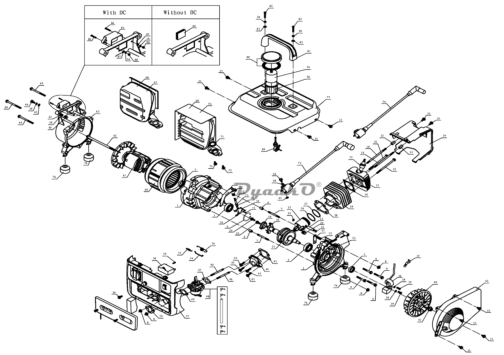
1 |
картер (левая половина) 3C9501001 |
|
2 |
картер (правая половина) 3C9501002 |
|
3 |
подшипник 6004 3S7106004 |
|
4 |
стопорное кольцо 47 3C9501003 |
|
5 |
сальник 20*30*7 3S61203007 |
|
6 |
штифт 10*7*14 3S5110014 |
|
7 |
шпилька анкер АМ6*50 3S25060503 |
|
8 |
гайка флацевая М6 3S13061 |
|
9 |
болт фланцевый М6*45 3S22060452 |
|
10 |
шпилька АМ6*100 3S25061163 |
|
11 |
сальник 6*12*7 3S61061204 |
|
12 |
тяга регулятора 3C9505005 |
|
13 |
шайба 6*10 3S3606110 |
|
14 |
вилка регулятора скорости 3C9505006 |
|
15 |
болт М3*8 3S27030082 |
|
16 |
пружинная шайба *3 3S31032 |
|
17 |
рычаг регулятора оборотов 3C9505300 |
|
18 |
сальник муфты 3C9503007 |
|
19 |
муфта центробежная 3C9503300 |
|
20 |
болт М6*16 3S22060161 |
|
21 |
Коленчатый вал в сборе 3C9503100 |
|
22 |
стопорное кольцо 3C9503004 |
|
23 |
поршневой палец 3C9503002 |
|
24 |
игольчатый подшипник 3C9503001 |
|
25 |
поршень 3C9503005 |
|
26 |
поршневое кольцо 3C9503202 |
|
27 |
поршневое кольцо 3C9503201 |
|
28 |
прокладка цилиндра 3C9502004 |
|
29 |
цилиндр двигателя 3C9502100 |
|
30 |
прокладка головки цилиндра 3C9502003 |
|
31 |
головка цилиндра 3C9502002 |
|
32 |
болт фланцевый М6*105 3S22061051 |
|
33 |
гайка штифт М6*18 3S1606118 |
|
34 |
кожух головки цилиндра 3C9502001 |
|
35 |
Болт фланцевый М6*12 3S22060121 |
|
36 |
магнето 3C9504200 |
|
37 |
крепление проводов 3C9504001 |
|
38 |
пружинная шайба *6 3S31062 |
|
39 |
болт М6*16 3S27060162 |
|
40 |
Маховик 3C9503008 |
|
41 |
Болт фланцевый М10*1,25 3C9503009 |
|
42 |
Ручной стартер в сборе 3C9503400A |
|
43 |
прокладка кронштейна креп. карбюратора 3C9505003 |
|
44 |
кронштейн креп. карбюратора 3C9505200 |
|
45 |
болт фланцевый М6*20 3S22060201 |
|
46 |
шпилька крепл.карбюратора 3S25060602 |
|
47 |
прокладка уплот.карбюратора 3C9505004 |
|
48 |
карбюратор в сборе 3C9505100 |
|
49 |
прокладка карбюратора 3C9505002 |
|
50 |
прокладка карбюратора передняя 3C9505001 |
|
51 |
поастина регулятора 3C9505008 |
|
52 |
пружина возвратная дросселя 3C9505007 |
|
53 |
Болт М6*40 3S27060402 |
|
54 |
тяга упр.возд.заслонкой 3C9505010 |
|
55 |
пружина заслонки 3C9505011 |
|
56 |
пружина регулятора 3C9505009 |
|
57 |
приборная панель 3MGG950101 |
|
58 |
конденсатор 3C9504004A |
|
59 |
винт ST4,2*13 3S29400141 |
|
60 |
статор 2A00642311 |
|
61 |
ротор 2B0064V1 |
|
62 |
болт фланцевый М8*156 3S22081562 |
|
63 |
задняя часть генератора 3C9501005 |
|
64 |
болт фланцевый М6*80 3S22060801 |
|
65 |
втулка демпфер 3S39061 |
|
66 |
болт фланцевый М6*10 3S22060101 |
|
67-68 |
глушитель 3C9502200C |
|
71 |
прокладка глушителя 3C9502006 |
|
72 |
болт фланцевый М6*16 3S22060161A |
|
74 |
катушка зажигания в сборе 3C9504400A |
|
75 |
свеча зажигания 3C9504300 |
|
76 |
амортизатор 3C9501006 |
|
77 |
топливный бак 3C9506100C |
|
78 |
ситечко топливного бака 3C9506002 |
|
79 |
чашка крышки топливного бака 3C9506001 |
|
80 |
крышка заливной горловины бака 3C9506200 |
|
81 |
ручка 3C9506005A |
|
82 |
винт М6*30 3S27060302 |
|
83 |
шайба 6 3S35061 |
|
84 |
топливный кран 3C9506300 |
|
85 |
розетка постоянного тока 3C9504600 |
|
86 |
винт М3*16 3S27030162 |
|
87 |
шайба 3 3S35032 |
|
88 |
гайка М3 3S11032 |
|
89 |
резиновая заглушка 3C9501007 |
|
|
воздушный фильтр 3C9504008 |
|
|
Альтернатор в сборе |