+7 (499) 702-01-13
+7 (499) 702-03-59
Пн-Пт с 9:00 до 18:00
Поиск бренда
Поиск модели
Каталог схем
CHAMPION (IGP)
Инструменты
Силовая техника
Генераторы дизельные
DG 6500E
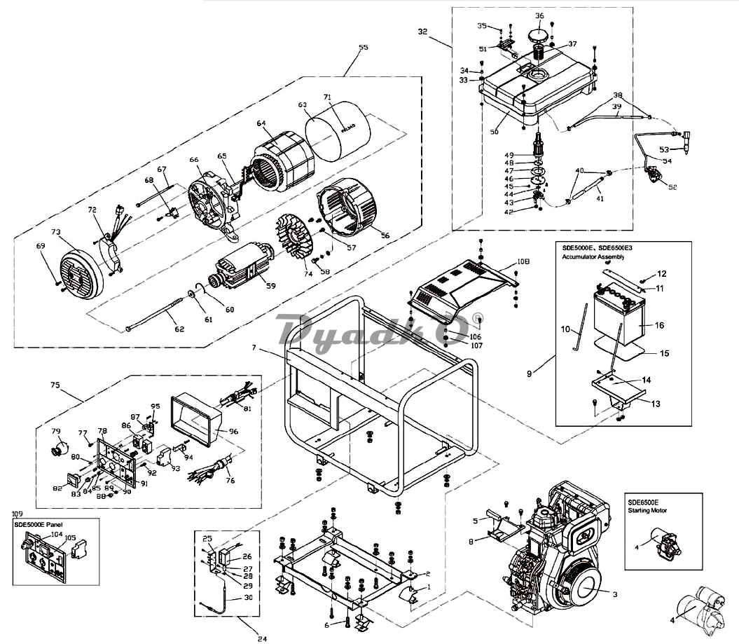
Схема CHAMPION (IGP) DG 6500E Генератор
1
Cushion
2
Houung Base Wekknent Assembly
3
Air-cooled Diesel
4
Starling Motor
5
Asetant Support Frame Cushion
6
Bolt M10X40
7
Housing Weldment Assembly
8
Engine Aset ant Support Frame
9
Accumulator Assembly
10
Screw Rod
11
Accumulator Pressure Plate
12
Wing Nut M6
13
АсаамЫвг BradatWsMwit АммлЫу
14
NutM6
15
Accumulator Washer
16
Accumulator 12V
24
Electromagnet Assembly
25
Electromagnet Seflng Plate
26
Electromagnet
27
Iron-corn
28
Screw M5X8
29
Electromagnet Washer
30
Flexible Shad Unit
32
Fuel Tank Assembly
33
Cushion
34
Sheath
35
Screw USX 12
36
Fuel Tank Cap Joint Assembly
37
Fuel Filler Screen
38
Fuel Return Pipe Clip
39
Fuel Return Pipe
40
Fuel Fier Pipe Clip
41
Fuel F
42
Nut M6
43
Fuel TankSwitdi Assembly
44
O-Ring
45
Screw
46
Seal Plate
47
Seal Washer
48
Seal Washer
49
Element Assembly
50
Fuel TankWeWment Assembly
51
Oil Marti Assembly
52
Fuel Pump
53
Nozde
54
High-Pressure Fuel Pipe
55
SflgfcCtrw Brtcal thd*rj tearth
56
Bectwi Machinery Forepart Cow
57
Sell-Tapping Locking Screw ST5
58
Boll M8X20
59
Generator Rotator
60
CSpRmg
61
Pull-through Shall Bolt Washer
62
Pull-through Shalt Bolt M10X214
63
Eleeticat Machinery Control Plate
64
Eledical Machinery Stator
65
Bolt MS
66
Eledical Machinery Rare Cover
67
Boll M6X120
68
Carbon Brush
69
Sell-tapping Locking Screw
71
Generator Serial Number
72
Excitation AVR
73
Electee! Mechirwy Booting Air Cover
74
Eledical Machinery Fan
75
Panel Assembly
76
Wiring Harness Setting Sheath
77
Screw M6X16
78
instrument Panel
79
Single-phrase Pin
80
Oil Pressure Alerting Lamp
81
Circuitry Settng Sheath
82
Voltmeter KD-45
83
Fuse Box
84
Fuse
85
Fuse Plastics Bottom Case
86
Single-phrase Receptacle
87
Setting Plate
88
Grounding Screw Cap
89
NutM6
90
Anode Wiring Terminal Unit
91
Cathode Wring Terminal Unit
92
Bolt M6x20
93
Air Switch
94
Air Switch Setting Plate
95
ОЯ Pressure PrciKMn Breadboard
96
Instrument Box Rare Cover
104
Starting key
105
instrument Panel
106
Sheath
107
Cushion
108
Decorating board Assembly
109
Panel Assembly