+7 (499) 702-01-13
+7 (499) 702-03-59
Пн-Пт с 9:00 до 18:00
Поиск бренда
Поиск модели
Каталог схем
ИНТЕРСКОЛ
Инструменты
Шлифовальное оборудование
Углошлифовальные машины сетевые
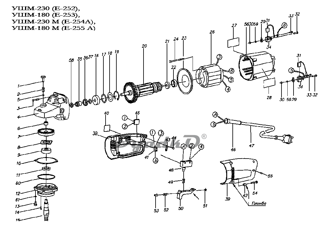
УШМ-230, УШМ-230 М, УШМ-180, УШМ-180 М (2004 г.)
Схема ИНТЕРСКОЛ УШМ-230, УШМ-230 М, УШМ-180, УШМ-180 М (2004 г.)
1
Стопор
2
Пружина
3
Винт
4
Корпус
5
Кольцо ГОСТ13942-83
6
Вкладыш
7
Колесо зубчатое (УШМ-230,УШМ-230М)
8
Крышка
9
Подшипник ГОСТ7242-81
10
Прокладка (подбор одной из комплекта)
11
Шайба
12
Крышка
13
Винт
14
Винт
15
Вал
16
Подшипник ГОСТ 7242-81
17
Пружина
18
Шайба
19
Кольцо ГОСТ 13943-88
20
Якорь
21
Подшипник ГОСТ 7242-81
22
Втулка
23
Диафрагма
24
Винт
25
Вывод
26
Статор ( УШМ-180 , УШМ-230 )
27
Табличка ( УШМ-180 ), -04 ( УШМ-230 )
28
Табличка ( УШМ-230 ), -07 ( УШМ-180 )
29
Пружина
30
Гайка ГОСТ 5929-70
31
Щетка
32
Винт специальный
33
Винт
34
Щеткодержатель
35
Шестерня коническая ( УШМ-230, УШМ-230 М )
36
Втулка
37
Прокладка (подбор одной из комплекта)
38
Рукоятка
39
Накладка
40
Прокладка ( УШМ-180 , УШМ-230 )
41
Колодка
42
Чашка пломбировочная ГОСТ 18678-79
43
Пластина
44
Винт
45
Конденсатор 0,33 мкФ ТУ 6260-010-07594095-96
46
Трубка защитная
47
Шнур питания
48
Выключатель В-01
49
Пружина
50
Клавиша
51
Шток
52
Пружина
53
Шток
54
Винт
55
Винт
56
Корпус
57
Симистор в сборе ( УШМ-180 М, УШМ-230 М )
58
Гайка
59
Шайба ГОСТ 10450-78
60
Кольцо
61
Шайба ГОСТ 6402-70
Конденсатор 0,33 мкФ ЦАВЯ.673633.008 ТУ
Прокладка (подбор одной из комплекта)
Табличка ( УШМ-180 М ), -01 ( УШМ -230 М )
Прокладка (подбор одной из комплекта)
Табличка ( УШМ-230 М ), -05 ( УШМ-180 М )
Прокладка (подбор одной из комплекта)
Колесо зубчатое (УШМ-180)
Колесо зубчатое (УШМ-180М)
Шестерня коническая (УШМ-180 М)
Шестерня коническая (УШМ-180 М)
Прокладка (подбор одной из комплекта)
Прокладка (подбор одной из комплекта)
Прокладка (подбор одной из комплекта)
Прокладка ( УШМ-180 М, УШМ-230 М )
Статор ( УШМ-180 М, УШМ-230 М )
Блок электроники ( УШМ-180 М, УШМ-230 М )