+7 (499) 702-01-13
+7 (499) 702-03-59
Пн-Пт с 9:00 до 18:00
Поиск бренда
Поиск модели
Каталог схем
PACKARD SPENCE
Инструменты
Садовая техника
Пилы цепные бензиновые
PSGS 400, PSGS 450C
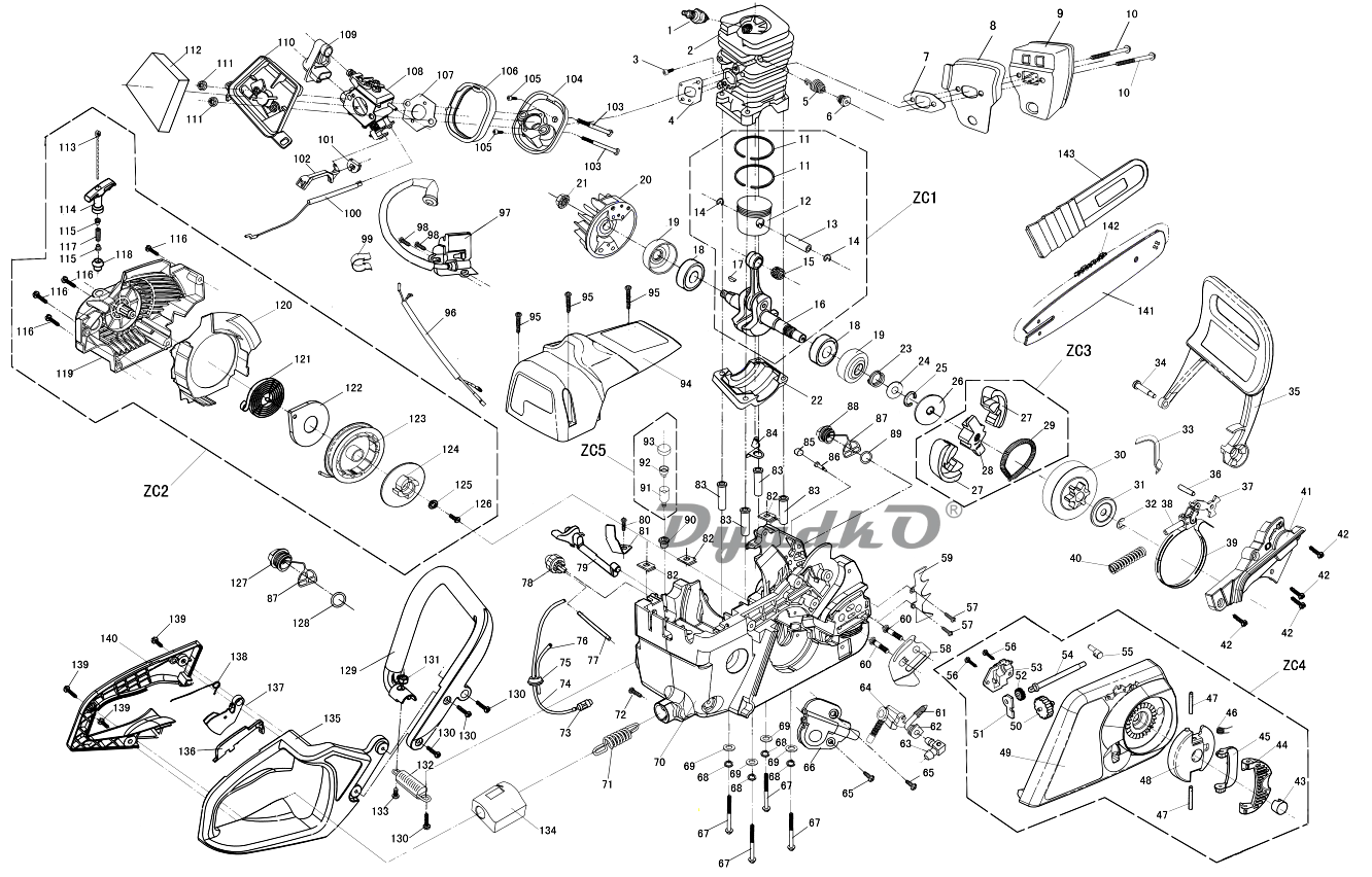
Схема PACKARD SPENCE PSGS 400, PSGS 450C
1
свеча
2
цилиндр
3
винт
4
прокладка
5
демпфирующая пружина
6
пластиковое кольцо
7
прокладка глушителя
8
экран
9
глушитель
10
болв глушителя
11
поршневое кольцо
12
поршень
13
поршневой палец
14
стопорное кольцо
15
роликовый подшипник
16
коленчатый вал
17
шпонка
18
подшипник
19
сальник
20
маховик
21
гайка маховика
22
картер кален.вала
23
пружинное кольцо
24
шайба
25
стопорное кольцо
26
прокладка сцепления
27
кулачек сцепления
28
корпус сцепления
29
пружина сцепления
30
звездочка с крышкой сцепления
31
шайба
32
стопорное кольцо
33
пружина рычага тормоза
34
винт
35
рычаг тормоза
36
штифт
37
рычаг тормоза
38
направляющая тормоза
39
лента тормоза
40
пружина тормоза
41
крышка тормоза
42
винт
43
кнопка
44
рычаг
45
ручка
46
пружина
47
ось
48
гайка
49
правая крышка
50
колесо регулировки натяжения цепи
51
опора задняя
52
малое колесо регулировки натяжения цепи
53
корпус регулятора
54
винт натяжителя цепи
55
опора передняя
56
винт
57
винт
58
пластина шины
59
гребенка
60
болт крепления шины
61
уплотнение
62
трубка
63
штуцер
64
трубка
65
винт
66
маслянный насос
67
винт
68
стопорная шайба
69
шайба
70
картер
71
пружина
72
винт
73
маслянный фильтр
74
трубка
75
хомут
76
трубка
77
трубка
78
OIL VACUOLE-CARBURETOR
79
выключатель стор
80
винт
81
кронштейн
82
HOOK-SCREW
83
вставка
84
пластина
85
фильтр вентиляции
86
AIR-VENT
87
держатель пробки
88
пробка бака
89
прокладка пробки
90
седло сапуна
91
корпус сапуна
92
клапан сапуна
93
срышка сапуна
94
верхняя крышка
95
винт
96
провада
97
зажигание
98
винт
99
SPRING
100
тяга
101
втулка управления дросселем
102
рычаг управления досселем
103
винт
104
корпус
105
винт
106
BOOT PROTECTER
107
прокладка карбюратора
108
карбюратор
109
накладка карбюратора
110
корпус воздушного фильтра
111
гайка воздушного фильтра
112
воздушный фильтр
113
трос стартера
114
ручка стартера
115
втулка
116
винт
117
пружина
118
втулка
119
крышка стартера
120
кожух стартера
121
пружина стартера
122
крышка пружины
123
катушка стартера
124
храповик
125
шайба
126
винт
127
крышка
128
уплотнительное кольцо
129
верхняя ручка
130
винт
131
гайка
132
пружина
133
винт
134
демпфер
135
ручка правая часть
136
предохранитель
137
клавиша
138
пружина
139
винт
140
ручка левая часть
141
шина
142
цепь
143
футляр шины
ZC1
ASSY OF CRANKSHAFT
ZC2
стартер в сборе
ZC3
сцепление в сборе
ZC4
ASSY OF CONTROLLING SYSTEM
ZC5
ASSY OF BALANCE