+7 (499) 702-01-13
+7 (499) 702-03-59
Пн-Пт с 9:00 до 18:00
Поиск бренда
Поиск модели
Каталог схем
HUSQVARNA
Инструменты
Садовая техника
Триммеры бензиновые
128L (ROW)(952715755)
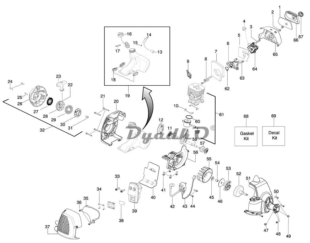
Схема HUSQVARNA 128L (ROW)(952715755) 02 Двигатель
1
Filter
2
Nut-Carb. Screw
3
Lever - Choke
4
Bulb-Purge
5
Kit-Carb. Gasket (Incl 7,62)
6
Adaptor-Carb.
7
Foam-Gasket (kit)
8
Bolt
9
Plug-Spark (RCJ-8Y)
10
Seal-Cylinder (kit)
11
Seal-Crankshaft (kit)
12
Assy-Starter Pawl
13
Assy-Fuel Filter
14
Kit-Fuel Line (Incl. 15)
15
Fitting-Fuel Line
16
Assy-Cap w/ret.(Incl. 17)
17
O-ring - Fuel Cap (kit)
18
Isolator-Tank
19
Assy-Fuel Tank (Incl. 13,14,15,16,17,18)
20
Shroud-Rear (KIT)
21
Screw
22
Kit-Rope
23
Handle-Starter
24
Screw
25
Screw
26
Starter Hsg. (KIT)
26
Starter Housing KIT (Serial Number - 2011-231N and lower)
26
Starter Housing KIT (Serial Number - 2011-232N and higher)
27
Kit-Spring
28
Kit-Starter Pulley
28
Starter Pulley KIT (Serial Number - 2011-231N and lower)
28
Starter Pulley KIT (Serial Number - 2011-232N and higher)
29
Spring - Driver
30
Pulley-Driver
31
Screw
32
Assy-Starter Hsg. (Incl.22,23,25 - 31)
32
Starter Housing Assembly (Serial Number - 2011-231N and lower)
32
Starter Housing Assembly (Serial Number - 2011-232N and higher)
33
Bolt-Muffler
34
Screw
35
Shield-Heat
36
Screw
37
Kit - Muffler Guard (Incl. Screws)
38
Kit-Spark Arrestor(Incl. 34)
39
Kit-Muffler (Incl. 33,34,38,40)
40
Gasket-Paper Met.(kit)
41
Screw
42
Module
43
Assy-Leadwire
44
Screw
45
Washer
46
Washer-Clutch
47
Screw (смотрите схему 04 Service Reference - 2)
48
Screw (смотрите схему 04 Service Reference - 2)
49
Locknut
50
Screw
51
Assy-Fan Housing (смотрите схему 04 Service Reference - 2)
52
Assy-Clutch Drum
53
Assy-Clutch
54
Spacer
55
Flywheel
56
Crankcase-Cast
57
Bearing
58
Assy-Crankshaft
59
Retainer-Piston Pin
60
Ring-Piston
61
Kit-Piston/Cyl. (Incl. 59,60)
62
Seal-adaptor (kit)
63
Screw
64
Kit-Carb. (Incl. 3,4,5)
65
Air box
66
Cover-Air Box
67
Assy-Knob
68
Kit-Gasket (Incl. 5,7,10,11,17,40,62)
69
Kit - Decal