+7 (499) 702-01-13
+7 (499) 702-03-59
Пн-Пт с 9:00 до 18:00
Поиск бренда
Поиск модели
Каталог схем
SPARKY
Инструменты
Шлифовальное оборудование
Полировальные машины сетевые
PM 2000E
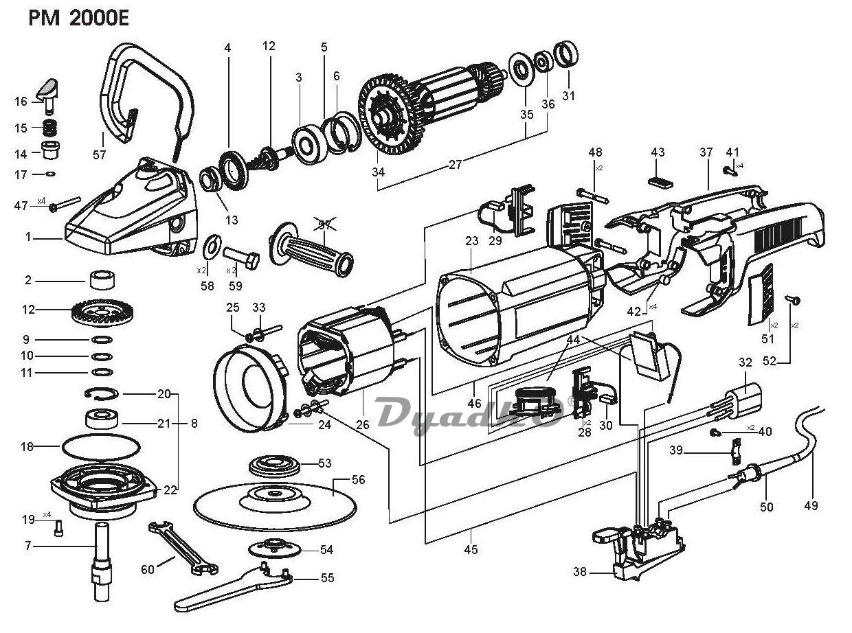
Схема SPARKY PM 2000E
1*
Корпус редуктора в сборе
1**
Корпус редуктора в сборе
2
Подшипник HK 1212
3
Подшипник 6202ZТNНР63LDS18
3******
Подшипник 6202 2RSL P63 LDS18SpA
4
Уплотнитель
5
Шайба пружинная
6
Кольцо фиксирующее А35
6*******
Кольцо фиксирующее А35-1D
7
Шпиндель
8*
Гнездо подшипника
8**
Гнездо подшипника
9
Шайба регулирующая
10
Шайба регулирующая
11
Шайба регулирующая
12
Зубчатая пара
13
Шайба маслоотражающая
14*
Втулка
14**
Втулка
14*****
Втулка
15
Пружинa
16*
Фиксатор шпинделя
16**
Фиксатор шпинделя
17
Кольцо 6X2B
18
Кольцо 80X2B
19
Винт М5х16
20
Кольцо фиксирующее А 40
20*******
Кольцо фиксирующее А40-1D
21
Подшипник 6203-2RS
22*
Гнездо подшипника
22**
Гнездо подшипника
23
Тело
24
Диффузор
25
Винт 3,9Х74
26
Статор в сборе
27
Ротор в сборе
28
Щеткодержатель в сборе
29
Щетка с контактором
30
Щетка
31
Втулка резиновая
32
Конденсатор
33
Шайба регулирующая
34
Вентилятор
35
Шайба защитная
36
Подшипник 6000-2ZP63LDS18
37
Пара рукояток
38
Выключатель KD10-RED
39
Скоба сетевого шнура
40
Винт K 4x9.5
41
Винт K 4x16
42
Втулка резиновая
43
Прокладка
44
Электронное устройство
45
Провод
46
Провод
47
Винт 5x25
48
Винт A-K 4X45/25
49
Сетевой шнур
50
Втулка сетевого шнура
51
Крышка щеткодержателя
52
Винт K 4x9.5
53
Шайба упорная
54
Гайка затягивающая
55
Ключ специальный 240
56
Диск
57***
Рукоятка
57****
Рукоятка в сборе
58****
Шайба 2-14
59****
Болт D2-M14x20
60****
Ключ гаечный 20x22 DIN3110-87
201
Инструкция по эксплуатации
202
Упаковка индивидуальная
204
Консистентная смазка 8 - 1,00 kg.
Примечание:
*
по 01.07.2001
**
с 01.07.2001
***
по 01.12.2002
****
с 01.12.2002
*****
с 08.08.2006
******
с 01.02.2007
*******
с 01.02.2008