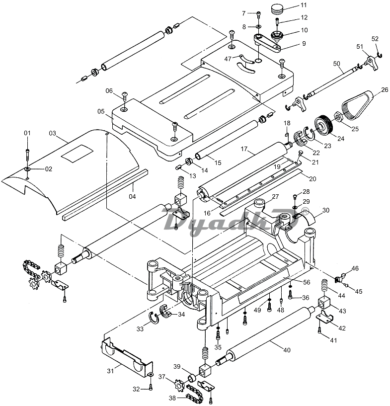
| 1 | Винт |
| 2 | Шайба |
| 3 | Узел защитного кожуха |
| 4 | Уплотнитель губчатый |
| 5 | Верхнее ограждение |
| 6 | Винт |
| 7 | Винт |
| 8 | Шайба |
| 9 | Комплект ручки |
| 10 | Г оловка |
| 11 | Крышка ручки |
| 12 | Ось ручки |
| 13 | Фиксатор пружинный |
| 14 | Втулка |
| 15 | Ролик |
| 16 | Планка прижимная |
| 17 | Вал рабочий |
| 18 | Шпонка |
| 19 | Пружина |
| 20 | Нож |
| 21 | Винт фиксации прижима |
| 22 | Подшипник |
| 23 | Кольцо фиксирующее |
| 24 | Шкив |
| 25 | Гайка |
| 26 | Ремень |
| 27 | Рама верхняя |
| 28 | Винт |
| 29 | Шайба |
| 30 | Защитный кожух шпинделя |
| 31 | Защитный кожух цепи |
| 32 | Винт |
| 33 | Кольцо фиксирующее |
| 34 | Подшипник |
| 35 | Винт |
| 36 | Винт |
| 37 | Звездочка |
| 38 | Цепь |
| 39 | Втулка |
| 40 | Ролик резиновый |
| 41 | Винт |
| 42 | Скоба фиксирующая |
| 43 | Опора ролика |
| 44 | Пружина |
| 45 | Винт |
| 46 | Указатель |
| 47 | Ярлык указателя |
| 48 | Штифт |
| 49 | Шайба |
| 50 | Ось калибра |
| 50-52 | Установочный калибр в сборе |
| 51 | Установочный калибр |
| 52 | Шайба стопорная |
| Ручка в сборе |