+7 (499) 702-01-13
+7 (499) 702-03-59
Пн-Пт с 9:00 до 18:00
Поиск бренда
Поиск модели
Каталог схем
STURM
Инструменты
Электроинструмент
Дрели
ID2154
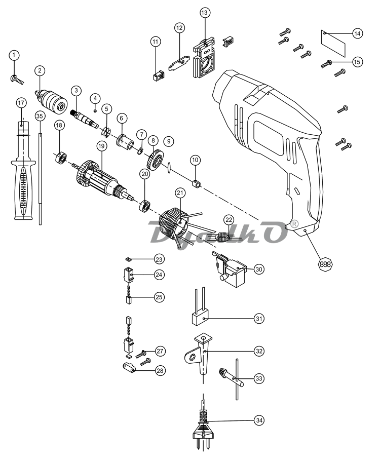
Схема STURM ID2154 ID 2154
1
Винт \\ SCREW
2
Патрон \\ DRILL CHUCK
3
Выходной вал \\ OUTPUT SHAFT
4
Шарик \\ STEEL BALL
5
Пружина \\ IMPACT SPRING
6
Втулка \\ SHAFT SLEEVE
7
Кольцо стопорное \\ CIRCLIP
8
Шестерня \\ OUTPUT GEAR
9
Кольцо стопорное \\ RETAINING RING
10
Втулка бронзовая \\ OGALLOY
11
Кнопка переключ-ля удар/сверл \\ IMPACT BOTTON
12
Планка переключ-ля удар/сверл \\ CHANGE PLATE
13
Промщит \\ SEGRAGATION
14
Наклейка \\ TRADEMARK
15
Винт \\ SCREW
17
Ручка боковая \\ HANDLE
18
Подшипник 608 \\ BALL BEARING 608Z
19
Ротор \\ ROTOR
19N
ротор ф34,8х30 \\ ф34,8х30 /rotor
20
Подшипник 626 \\ BALL BEARING 626Z
21
Статор \\ STATOR
21N
статор ф58,5х30хф35,7 \\ ф58,5х30хф35,7 /stator
22
Индуктор \\ INDUCTANCE
23
Заглушка \\ BRUSH HOLDER COVER
24
щеткодержатель \\ BRUSH HOLDER
25
Угольная щетка \\ BRUSH
27
Винт \\ SCREW
28
Прижим шнура \\ CABLE ANCHORAGE
29
Наклейка \\ NAMEPLATE
30
Выключатель \\ SWITCH
31
Конденсатор \\ CAPACITOR
32
Воротник шнура \\ CABLE SLEEVE
33
Ключ патрона \\ CHUCK WRENCH
34
Шнур сетевой с вилкой \\ CORD & PLUG
35
Глубиномер \\ DEPTH RULER
888
Корпус в сборе \\ HOUSING
888N
корпус в сборе \\ housing assi