|
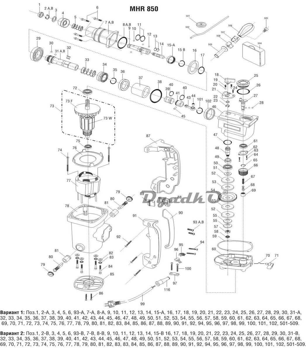
1 |
Пыльник |
|
2A |
Кольцо разжимное D18 UM06-001-007 |
|
2B |
Кольцо стопорное |
|
3 |
Шайба D28 D19 h1,5 |
|
4 |
Кожух патрона |
|
5 |
Пружина |
|
6, 93A |
Винт М5х28 H4 UM01-000-080 |
|
7A |
Корпус ствола |
|
7B |
Корпус ствола |
|
8A |
Сальник D51 D40.8 h6 |
|
8B |
Сальник D48 D35 h7 |
|
9 |
Стволик |
|
10, 12 |
Шарик стальной D7 |
|
11 |
Кольцо уплотнительное D20 h2 |
|
13 |
Кольцо уплотнительное D11,6 h2 |
|
14 |
Ударник |
|
15A |
Гайка ствола |
|
15B |
Кольцо стопорное разрезное |
|
16 |
Шайба D55 D45 h1,5 |
|
17 |
Кольцо резиновое D32x2 |
|
18 |
Переключатель удар / удар+сверление |
|
19 |
Пружина |
|
20 |
Шарик стальной D5 |
|
21 |
Основание переключателя удар / удар+сверление |
|
22 |
Шайба D16; d12; h0,2 UM04-002-003 |
|
23 |
Кольцо разжимное D10 UM06-001-014 |
|
24 |
Винт М4х12 PH2 (потай) UM01-000-014 |
|
25 |
Крышка |
|
26 |
Кольцо резиновое |
|
27 |
Противовес |
|
28 |
Шарик стальной D5.5 |
|
29 |
Подшипник ствола 61907 (55х35х10) U011-000-001 |
|
30 |
Шарик стальной D8 |
|
31A |
Ствол |
|
31B |
Ствол |
|
32 |
Шпонка 3x18 |
|
33 |
Пружина |
|
34 |
Шестерня ствола |
|
35 |
Кольцо стопорное |
|
36 |
Кольцо резиновое |
|
37 |
Втулка ствола |
|
38 |
Кольцо уплотнительное D55 h2 |
|
39 |
Боёк |
|
40, 42 |
Кольцо уплотнительное D18 h3 |
|
41 |
Поршень |
|
43 |
Шатун |
|
44 |
Подшипник игольчатый НК0810 (12х8х10) U010-081-000 |
|
45 |
Палец поршня |
|
46 |
Корпус редуктора |
|
47 |
Сальник |
|
48 |
Шестерня коническая |
|
49 |
Втулка D20 D15 h6 |
|
50 |
Подшипник шариковый 6002-2RS (32х15х9) U009-600-2RS |
|
51 |
Шайба D20 D14 h0,4 |
|
52 |
Шайба специальная |
|
53 |
Диск пластиковый тормозной |
|
54 |
Шестерня храпового механизма |
|
55, 56 |
Кольцо пружинное |
|
57 |
Гайка специальная 10х0,75 Н17 |
|
58 |
Подшипник 627-2RS (22х7х7) U009-627-RS0 |
|
59 |
Прокладка бумажная |
|
60 |
Промщит |
|
61 |
Подшипник 6202-2RS (35х15х11) U009-620-2RS |
|
62 |
Прижим подшипника |
|
63 |
Шайба-гровер D4 UM04-001-002 |
|
64 |
Винт М4х16 Н3 (цилиндр) UM01-000-082 |
|
65 |
Кольцо стопорное |
|
66 |
Шестерня |
|
67 |
Пружина |
|
68 |
Штифт |
|
69 |
Подшипник игольчатый НК1210 (16х12х10) U010-121-000 |
|
70 |
Планка-фиксатор пружинная |
|
71 |
Переключатель сверление / удар+сверление |
|
72 |
Подшипник 6001-2RS (28х12х8) U009-600-1RS |
|
73 |
Ротор (z=5) |
|
73F |
Крыльчатка ротора |
|
73W |
Ротор (z=5) без крыльчатки |
|
74 |
Саморез 5х63 РН2 UM02-000-077 |
|
75 |
Подшипник 608-2RS (22х8х7) U009-608-RS0 |
|
76 |
Защита статора |
|
77 |
Статор |
|
78 |
Корпус статора |
|
79 |
Крышка щеткодержателя |
|
80 |
Щетка |
|
81 |
Щеткодержатель |
|
82 |
Шайба D5 UM04-000-003 |
|
83 |
Шайба-гровер D5 UM04-001-003 |
|
84 |
Винт М5х54 Н4 UM01-000-077 |
|
85 |
Крышка корпуса (фланец заднего подшипника) |
|
86 |
Саморез 4х19 Т20 UM02-000-029 |
|
87 |
Ручка корпуса |
|
88 |
Выключатель FA.311 FA2-6/2W4 6(6)/250V~ 12А 125V~ 5Е4 |
|
89 |
Пыльник выключателя |
|
90 |
Накладка ручки |
|
91 |
Крышка ручки |
|
92 |
Саморез 4х25 Т15 UM02-000-075 |
|
93B |
Винт М5х28 Т27 UM01-000-131 |
|
94 |
Саморез 5х28 T20 UM02-000-054 |
|
95 |
Катушка индукторная |
|
96 |
Конденсатор 0,22 мкф |
|
97 |
Прижим шнура |
|
98 |
Воротник шнура U098-002-001 |
|
99 |
Шнур сетевой резин, 2х1,0мм, 2м U099-004-006 |
|
100 |
Саморез 4х19 РН2 крепление прижима шнура UM02-000-066 |
|
101 |
Кольцо стопорное сжимное D50 UM06-002-006 |
|
102 |
Втулка опорная |
|
501 |
Пыльник бура |
|
502 |
Линейка - упор |
|
504 |
Кейс |
|
505 |
Болт фиксирующий М8х25 |
|
506 |
Кольцо зажимное |
|
507 |
Держатель упора |
|
508 |
Зажим |
|
509 |
Рукоятка |