+7 (499) 702-01-13
+7 (499) 702-03-59
Пн-Пт с 9:00 до 18:00
Поиск бренда
Поиск модели
Каталог схем
КАЛИБР
Инструменты
Садовая техника
Пилы цепные бензиновые
БП-1200/16, БП-1300/16 (стар.)
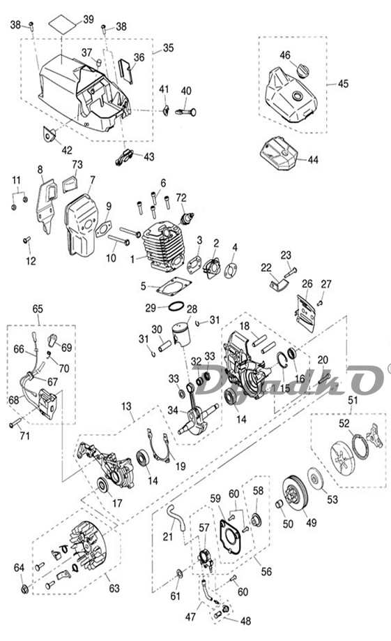
Схема КАЛИБР БП-1200/16, БП-1300/16 (стар.) Двигатель
1
Цилиндр ф38
2
Коллектор впускной
3
Прокладка впускного коллектора
4
Прокладка карбюратора
5
Прокладка цилиндра
6
Болт М5х20
7
Глушитель
8
Нет такой детали
9
Прокладка глушителя
10
Болт М5х60
11
Гайка М5
12
Винт М5х14
13
Картер в сборе (картер+крышка)
14
Подшипник 6201 (32*12)
15
Кольцо запорное внутр. ф34
16
Сальник 12*22*7
17
Сальник 12*32*5,5
18
Шпилька
19
Прокладка картера
20
Болт М5х30T27
21
Трубка масляная выходящая
22
Ловитель цепи
23
Винт
26
Пластина направляющая \\\"А\\\"
27
Винт М4х10
28
Поршень Ø39
29
Кольцо поршневое ф39 (комплект 1 шт.)
30
Палец поршневой
31
Кольцо стопорное пальца поршня
32
Подшипник игольчатый 10*14*11
33
Шайба шатуна 10х17х3
34
Механизм кривошипо-шатунный
35
Крышка пилы верхняя
36
Заслонка \\\"зима-лето\\\"
37
Упор фильтра воздушного
38
Винт TP5х19
39
Этикетка
40
Ручка воздушной заслонки пластик
41
Втулка ручки воздушной заслонки
42
Вставка рукоятки воздушной заслонки
43
Уплотнение тяги дроссельной заслонки
44
Фильтр воздушный
45
Крышка воздушного фильтра
46
Гайка крышки воздушного фильтра
47
Трубка масляная входящая (к масл.насосу)
48
Фильтр масляный
48a
Соединитель маслопровода
49
Барабан муфты сцепления
50
Подшипник игольчатый 10*13*13
51
Диск муфты сцепления в сборе
52
Пружина диска муфты
53
Шайба муфты сцепления ф8*ф34*2,5
56
Насос масляный в сборе
57
Насос масляный
58
Шестерня червячная
59
Крышка масляного насоса
60
Винт М4х14
61
Шайба Ø10,2хØ18х1,0
63
Маховик вентилятор в сборе
64
Гайка М8х1,0
65
Катушка зажигания в сборе
66
Провод низковольтный
67
Уплотнение провода высоковольтного
68
Провод высоковольтный
69
Наконечник свечи
70
Пружина
71
Винт М4х14
72
Свеча зажигания
73
Нет такой детали
Ручка воздушной заслонки металл
Скоба крепления маслопровода