+7 (499) 702-01-13
+7 (499) 702-03-59
Пн-Пт с 9:00 до 18:00
Поиск бренда
Поиск модели
Каталог схем
ИНТЕРСКОЛ
Инструменты
Электроинструмент
Лобзики
МП-120/750Э
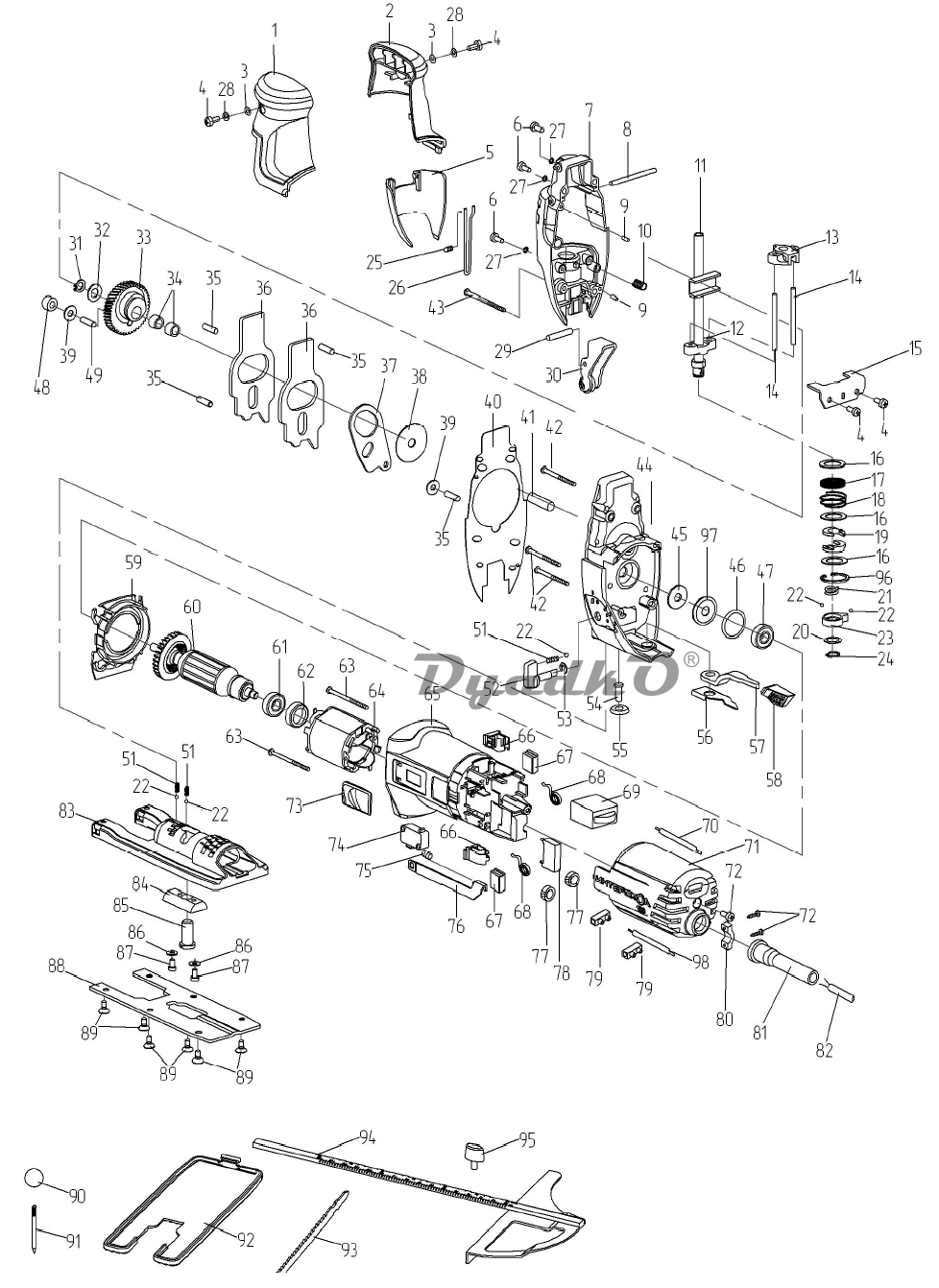
Схема ИНТЕРСКОЛ МП-120/750Э МП-120/750Э (157.хххххх)
1
Ручка
2
Ручка накладка
3
Шайба Ø4
4
Винт М4х10
5
Экран защитный
6
Винт М5х25
7
Крышка редуктора
8
Ось Ø4x52
9
Штифт Ø3x10
10
Пружина Ø6.3x18
11
Шток
12
Траверса нижняя
13
Траверса верхняя
14
Стойка Ø4x62
15
Пластина направляющая
16
Шайба Ø12x18.5x0.5
17
Прокладка Ø8.5x17.5x4
18
Пружина Ø7x19
19
Втулка пластиковая Ø8.6x16x3.6
20
Шайба Ø10x16x0.5
21
Пружина кручения
22
Шарик Ø3.5
23
Рычаг
24
Кольцо пружинное В9
25
Винт М5х8
26
Скоба защитная
27
Шайба пружинная Ø5
28
Шайба пружинная Ø4
29
Ось качалки Ø4x25
30
Качалка в сборе
31
Кольцо пружинное В 8
32
Шайба Ø8.4x16x1
33
Колесо зубчатое Z=47
34
Подшипник роликовый НК081208 (8x12x8)
35
Штифт Ø5
36
Балансир
37
Рычаг толкателя
38
Шайба 08.2x36.5x1
39
Шайба 06.5x12x1
40
Прокладка
41
Ось 08
42
Винт 4x35
43
Винт 4x65
44
Корпус редуктора
45
Кольцо войлочное Ø8x22x2
46
Кольцо резиновое Ø21.5x25.5x2
47
Подшипник шариковый 608-2RS (8x22x7)
48
Подшипник роликовый НК061208 (6x12x8)
49
Штифт Ø6x17
51
Пружина Ø3x9.5
52
Переключатель хода качалки
53
Кольцо пружинное Ø5
54
Т олкатель Ø6х 16
55
Кольцо войлочное Ø6x11x5
56
Указатель угла наклона основания
57
Рычаг фиксации основания
58
Ручка рычага фиксации
59
Диафрагма
60
Якорь с вентилятором в сборе Ø35x48: Z=5
61
Подшипник шариковый 607-2Z (7x19x6)
62
Втулка демпфирующая
63
Винт 4x68
64
Статор в сборе Ø58.5x48
65
Корпус двигателя
66
Щеткодержатель в сборе
67
Щетка электрическая 6x10x14
68
Пружина спиральная
69
Блок электронный
70
Проводник
71
Крышка задняя
72
Винт 4x14
73
Клавиша выключателя
74
Выключатель TUV HY50 EN6106S 10(8)А 250VAC 5Е4
75
Пружина Ø5x0.5x20
76
Тяга выключателя
77
Кольцо феррнтовое
78
Конденсатор 0.22µF+2x4700pF
79
Колодка клеммная
80
Планка фиксации шнура
81
Втулка защитная шнура
82
Шнур питания с вилкой H05W-F 2x0.75мм2. L=4m
83
Основание
84
Планка прижимная
85
Винт специальный M10x24
86
Шайба 4.2x14x2
87
Винт М4х8(внутр. шест.S3)
88
Подошва
89
Винт М4х8
90
Держатель центра
91
Центр циркульный
92
Подошва пластиковая
93
Полотно пильное
94
Линейка направляющая
95
Винт барашковый М4х8
96
Кольцо пружинное А19
97
Шайба Ø8x22x0.8
98
Проводник