+7 (499) 702-01-13
+7 (499) 702-03-59
Пн-Пт с 9:00 до 18:00
Поиск бренда
Поиск модели
Каталог схем
КАЛИБР
Инструменты
Электроинструмент
Рубанки
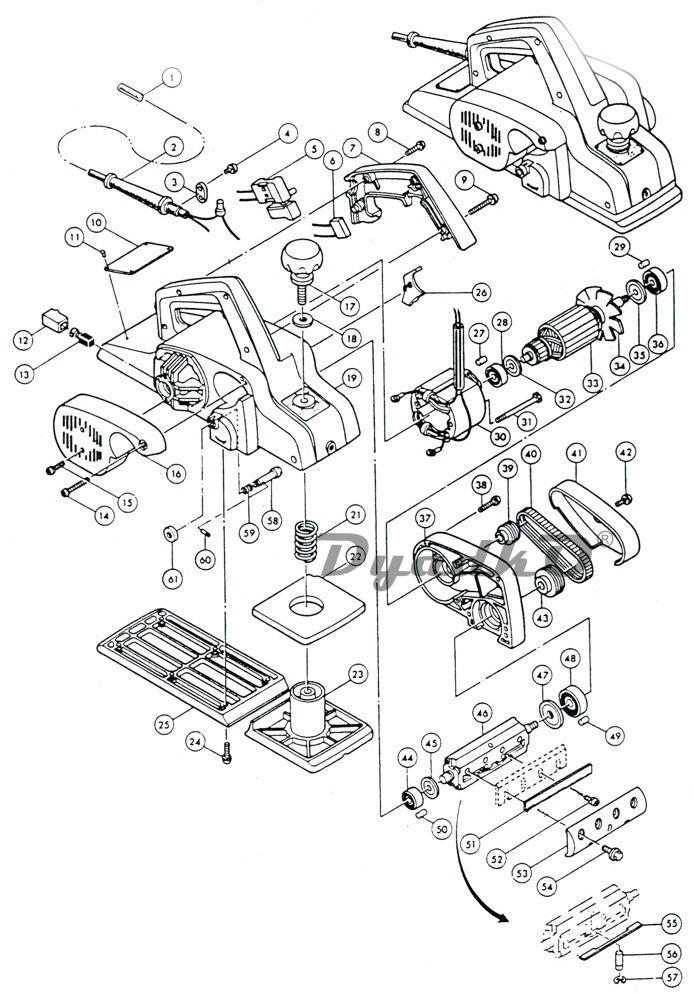
РЭ-1000, РЭ-1100+СТ (TB, DS)
Схема КАЛИБР РЭ-1000, РЭ-1100+СТ (TB, DS) РЭ-1000 (TB)
1
Кабель питания 2* 1,0мм2 с вилкой
2
Бандаж кабеля резиновый
3
Прижим кабеля
4
Винт ST
5
Выключатель FA2-6/2B
6
Конденсатор фильтра p/помех 0,ЗЗмкФ
7
Крышка рукоятки
8
Винт ST
9
Винт ST
10
Этикетка заводская
11
Заклепка
12
Щёткодержатель
13
Щётка №37
14
Винт ST
15
Винт ST
16
Крышка правая
17
Рукоятка регулировочная
18
Шайба
19
Корпус
20
Винт
21
Пружина
22
Прокладка резиновая
23
Подошва регулируемая
24
Винт
25
Подошва неподвижная
26
Планка
27
Втулка резиновая
28
Подшипник 608
29
Втулка резиновая
30
Статор
31
Болт
32
Шайба защитная
33
Якорь
34
Вентилятор
35
Кольцо пылезащитное
36
Подшипник 6200
37
Корпус редуктора
38
Винт ST
39
Шкив ведущий
40
Ремень
41
Крышка ремня
42
Винт ST
43
Шкив ведомый
44
Подшипник 6000
45
Шайба
46
Барабан
47
Шайба
48
Подшипник 6201
49
Втулка резиновая
50
Втулка резиновая
51
Прижимная планка
52
Винт М4х4
53
Плата прижимная
54
Болт зажимный Мб* 17
55
Пластина регулировочная
56
Втулка
57
Кольцо стопорное
58
Втулка стопорная
59
Кольцо прижимное
60
Втулка
61
Гайка
62
Вкладыш щеткодержателя
63
Нож 110x30мм