+7 (499) 702-01-13
+7 (499) 702-03-59
Пн-Пт с 9:00 до 18:00
Поиск бренда
Поиск модели
Каталог схем
VIKING
Инструменты
Садовая техника
Газонокосилки бензиновые
MB 448 TX
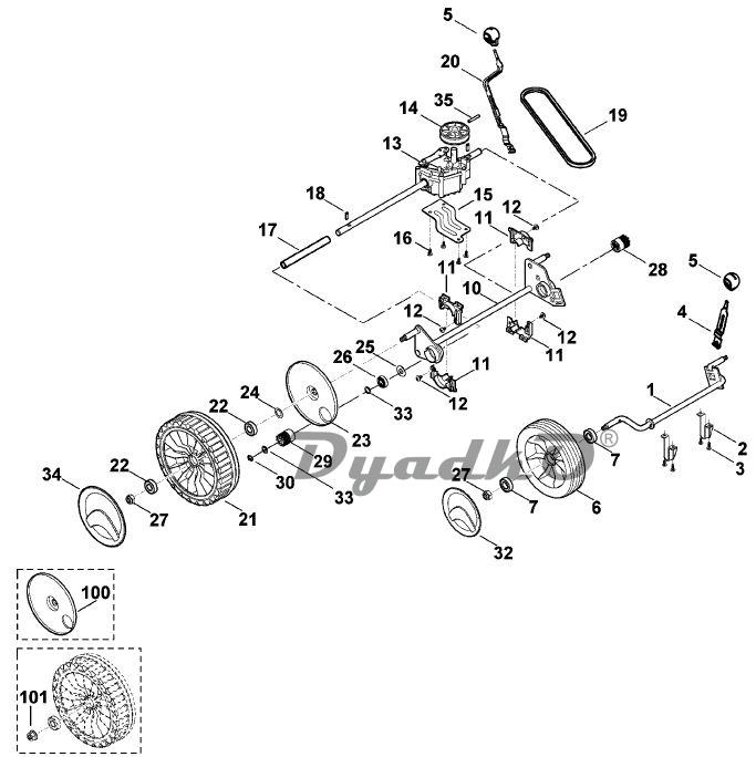
Схема VIKING MB 448 TX C Ходовая часть
1
Ось
2
Держатель оси
3
Винт IS Р5х10
3
Самонарезающий винт Р5х10
✻
(до серийного номера 4 32 727 984) (32.2011)
3
Самонарезающий винт Р5х12
✻
(до серийного номера 4 32 145 789) (63.2009)
4
Переводной рычаг
5
Ручка
6
Колесо в сборе 180
☐
7
7
Шарикоподшипник 6001-2RS
7
Шарикоподшипник 6001-2RS (50.2009)
10
Ось
11
Держатель оси
12
Винт IS Р5х10
12
Самонарезающий винт Р5х10
✻
(до серийного номера 4 32 727 984) (32.2011)
12
Самонарезающий винт Р5х8
✻
(до серийного номера 4 32 145 789) (63.2009)
13
Коробка передач
☐
14,35
14
Клиноременный шкив
15
Держатель
16
Самонарезающий винт Р5х12
17
Труба
18
Шпонка обгонной муфты
19
Клиновой ремень Привод движения
20
Переводной рычаг
21
Колесо в сборе 200
☐
22,23
21
Колесо в сборе 200
✻
(до серийного номера 4 32 417 171) (57.2010)
☐
22,23
22
Шарикоподшипник 6001-2RS
22
Шарикоподшипник 6001-2RS (50.2009)
23
Крышка
24
Шайба P12x18x1
25
Защитный диск
26
Шарикоподшипник 6001-2RS
27
Шестигранная гайка М8
28
Шестерня
29
Шестерня
30
Стопорное кольцо 12x1
32
Колпак колеса
33
Шайба Р12x18x0,5
34
Колпак колеса
35
Зажимной штифт 5x30
100
Крышка
✻
(до серийного номера 4 32 417 171) (57.2010)
101
Шестигранная гайка М8
✻
(до серийного номера 4 32 491 770) (69.2010)
Примечание:
☐
cюда входят номера позиций
✻
машины более старого типа конструкции
(A)
не изображено на иллюстрации
(B)
только в виде специальных принадлежностей
(C)
заводом больше не выпускается
(D)
не поставляется отдельно как запасная деталь