+7 (499) 702-01-13
+7 (499) 702-03-59
Пн-Пт с 9:00 до 18:00
Поиск бренда
Поиск модели
Каталог схем
STIHL
Инструменты
Садовая техника
Триммеры бензиновые
FS 20
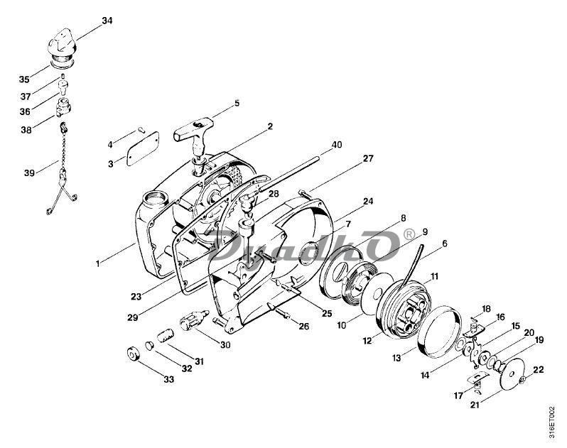
Схема STIHL FS 20 C Пусковое устройство
1
Крышка вентилятора
2
Втулка
3
Фирменный знак STIHL
4
Цилиндрический просечной штифт с полукруглой головкой 2,6 х 6
5
Рукоятка
6
Пусковой тросик, диам. 4,51x110001мм
6
Пусковой тросик, диам. 4,51мм1’х130,51м
7
Фетровое кольцо
8
Крышка
9
Возвратная пружина
10
Шайба
11
Тросиковый шкив
12
Забивной насечной штифт
13
Кольцо
14
Шайба
15
Тормозной рычаг
16
Пластина фрикционного башмака
17
Пружина фрикционного башмака
18
Тарелка пружины
19
Тормозная пружина
20
Шайба
21
Упорная шайба
22
Стопорная шайба 5
23
Уплотнение
24
Корпус вентилятора
25
Винт с потайной головкой М4 х 12
26
Винт с цилиндрической головкой М4 х 12
27
Винт с цилиндрической головкой М5 х 18
28
Угловой элемент
29
Шланг
30
Всасывающая головка
31
Фильтр
32
Грузик
33
Колпачок
34
Пробка топливного бака
35
Круглое уплотнительное кольцо 25 х 2,5
36
Вставка
37
Резьбовая шпилька
38
Стержень клапана
39
Предохранитель от потери
40
Шланг 3,1x5,7x135 мм, R3
40
Шланг 3,1x5,7 мм х 1 м, R3