+7 (499) 702-01-13
+7 (499) 702-03-59
Пн-Пт с 9:00 до 18:00
Поиск бренда
Поиск модели
Каталог схем
DEWALT
Инструменты
Шлифовальное оборудование
Углошлифовальные машины сетевые
DWE4121 (Type 1)
Схема DEWALT DWE4121 (Type 1)
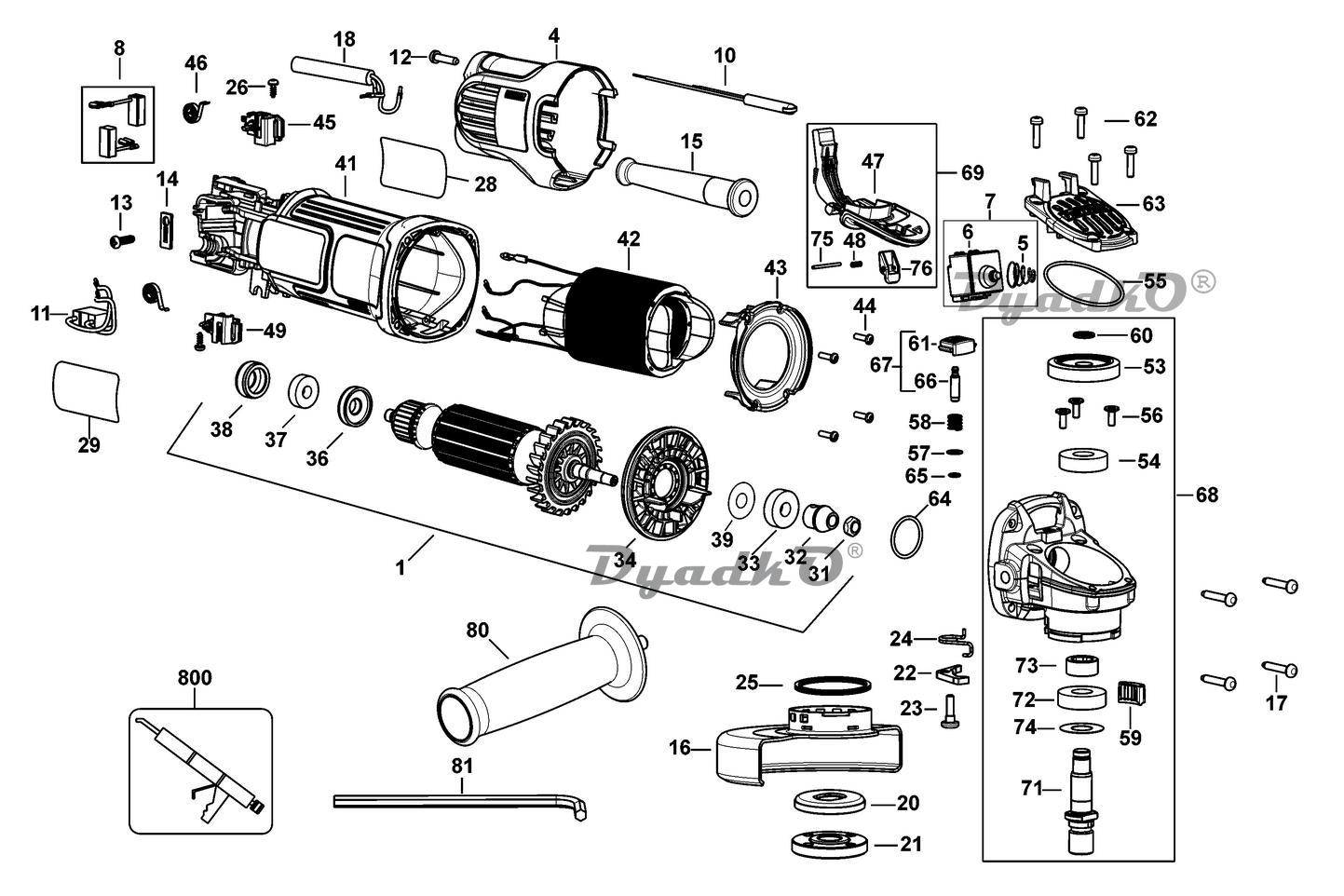
1
ЯКОРЬ 230В; ;
4
КОРПУС; ;
5
ПРУЖИНА; ;
6
ВЫКЛЮЧАТЕЛЬ; ;
7
ВЫКЛЮЧАТЕЛЬ В СБОРЕ; ;
8
ПАРА ЩЁТОК 230В; ;
10
КОНДЕНСАТОР; ;
11
КОНДЕНСАТОР; ;
12
ВИНТ; ;
13
ВИНТ; ;
14
ЗАЖИМ ШНУРА ПИТАНИЯ; ;
15
ЧЕХОЛ ШНУРА ПИТАНИЯ; ;
16
ЗАЩИТНЫЙ КОЖУХ; ;
17
ПЛАСТИКОВЫЙ ВИНТ; ;
18
КОМПЛЕКТ ПРОВОДОВ; ;
20
ВНУТРЕННИЙ ФЛАНЕЦ; ;
21
НАРУЖНЫЙ ФЛАНЕЦ; ;
22
РЫЧАГ; ;
23
ВИНТ; ;
24
ПРУЖИНА; ;
25
ПРУЖИННАЯ ШАЙБА; ;
26
ВИНТ; M3 X 8;
28
ЯРЛЫК ПРОИЗВОДИТЕЛЯ; ;
31
ГАЙКА; ;
32
ВЕДУЩАЯ ШЕСТЕРНЯ; ;
33
ПОДШИПНИК; ;
34
ОТРАЖАТЕЛЬ; ;
36
ШАЙБА; ;
37
ПОДШИПНИК; ;
38
ВТУЛКА; ;
39
ШАЙБА; ;
41
КОРПУС СТАТОРА; ;
42
СТАТОР В СБОРЕ; ;
43
ОТРАЖАТЕЛЬ; ;
44
ВИНТ; ;
45
ОБОЙМА ЩЁТКОДЕРЖАТЕЛЯ; ;
46
ПРУЖИНА; ;
47
РЫЧАГ; ;
48
ПРУЖИНА; ;
49
ОБОЙМА ЩЁТКОДЕРЖАТЕЛЯ; ;
53
ШЕСТЕРНЯ; ;
54
ПОДШИПНИК; ;
55
УПЛОТНИТЕЛЬНОЕ КОЛЬЦО; ;
56
ВИНТ; ;
57
ШАЙБА; ;
58
ПРУЖИНА; ;
59
ВСТАВКА; ;
60
СТОПОРНОЕ КОЛЬЦО; ;
61
КНОПКА; ;
62
ВИНТ; ;
63
КРЫШКА КОРПУСА РЕДУКТОРА; ;
64
УПЛОТНИТЕЛЬНОЕ КОЛЬЦО; ;
65
УПЛОТНИТЕЛЬНОЕ КОЛЬЦО; ;
66
ЗАЖИМ ШПИНДЕЛЯ; ;
67
ЗАЖИМ ШПИНДЕЛЯ; ;
68
КОРПУС РЕДУКТОРА В СБОРЕ; ;
69
ЛОПАТКА; ;
71
ШПИНДЕЛЬ; ;
72
ПОДШИПНИК; ;
73
ВТУЛКА; ;
74
ШАЙБА; ;
75
ЦИЛИНДРИЧЕСКИЙ ШТИФТ; ;
76
РЫЧАГ РАЗБЛОКИРОВКИ; ;
80
РУЧКА БОКОВАЯ В СБОРЕ; ;
81
ШЕСТИГРАННЫЙ КЛЮЧ; 6 mm;
800
КОНСИСТЕНТНАЯ СМАЗКА; 50 GRAMS - NYE RHEOLUB 380G1;